Qorvo QPB9350 Zweikanal-Rx-DVGAs von 0,4 GHz bis 1,0 GHz
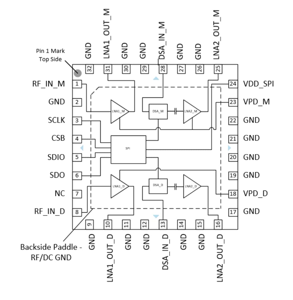
Qorvo QPB9350 Zweikanal-Rx-DVGAs von 0,4 GHz bis 1,0 GHz sind für leistungsstarke Empfänger von Makro-Basisstationen konzipiert. Die QPB9350 hochintegrierten Rx-Frontend-Module kombinieren einen leistungsstarken rauscharmen Verstärker (LNA) der ersten Stufe, einen digitalen Schrittdämpfer (DSA) und einen LNA der zweiten Stufe in einer Zweikanal-Konfiguration. Die Abschaltungsfunktion des Verstärker kann über spezielle Abschaltungs-Pins für jeden Kanal gesteuert werden. Die LNAs nutzen den effizienten E-pHEMT-Prozess von Qorvo, um einen Rauschfaktor von 0,4 dB für die erste Stufe des LNA zu liefern. Die Gain-Regelung erfolgt über einen 31-dB-Bereichs-DSA in 1-dB-Schritten.Der QPB9350 von Qorvo ist in einem RoHS-konformen, kompakten unbedrahteten 32-Pin-Gehäuse zur Oberflächenmontage von 5 mm x 5 mm untergebracht.
Merkmale
- 0,4 GHz bis 1,0 GHz Frequenzbereich
- Integrierte LNAs, DSA
- Zweikanal-Konfiguration
- Integrierte Abschaltfähigkeit
- LNA1 auf 0,4 dB NF, Gain von 23 dB, OIP3 von 37 dBm
- Gain-Regelungsbereich von 31 dB, Schrittgröße von 1 dB
- +5 V Versorgungsspannung
- SPI-Steuerschnittstelle
- +1,8-V-Logikschaltungs-kompatibel
Applikationen
- Drahtlose Infrastruktur
- Diversity-Empfänger
- TDD- oder FDD-Systeme
Technische Daten
- Lagertemperatur -55 °C bis +150 °C
- HF-Eingangsleistung von +20 dBm, CW, 50 Ω, T = 25 °C
- Sperrversorgungsspannung: -0,3 V
Funktionales Blockdiagramm
Veröffentlichungsdatum: 2024-05-26
| Aktualisiert: 2024-06-07
