Qorvo QPB9351 Zweikanal-Rx-VGAs von 1,7 GHz zu 2,7 GHz
Qorvo QPB9351 Zweikanal-Rx-VGAs von 1,7 GHz bis 2,7 GHz wurden für leistungsstarke Empfänger von Makro-Basisstationen konzipiert. Das hochintegrierte Rx-Frontend-Modul kombiniert einen leistungsstarken, rauscharmen Verstärker (LNA) der ersten Stufe, einen digitalen Schrittdämpfer (DSA) und einen LNA der zweiten Stufe in einer Zweikanal-Konfiguration. Das RX-VGA-SiP (Empfangs-Verstärker-System-in-Package mit variabler Gain) bietet eine Abschaltfunktion für die Verstärker, die über dedizierte Abschaltpins für jeden Kanal gesteuert werden können. Die LNAs nutzen den Hochleistungs-E-pHEMT-Prozess von Qorvo, um einen Rauschfaktor von 0,4 dB für die erste Stufe des LNA zu liefern. Die Gain-Regelung erfolgt über ein Bereich-DSA von 31 dB in 1-dB-Schritten.Der QPB9351 ist in einem RoHS-konformen, kompakten drahtlosen 32-Pin-Gehäuse zur Oberflächenmontage von 5 mm x 5 mm erhältlich.
Merkmale
- 1,7 GHz bis 2,7 GHz Frequenzbereich
- Integrierte LNAs, DSA
- Zweikanal-Konfiguration
- Integrierte Abschaltfähigkeit
- LNA1 bei 0,4-dB-NF, Gain von 16,5 dB, OIP3 von 38 dBm
- Gain-Regelungsbereich von 31 dB, Schrittgröße von 1 dB
- +5 V Versorgungsspannung
- SPI-Steuerschnittstelle
- Logikschaltung von +1,8 V
Applikationen
- Drahtlose Infrastruktur
- Diversity-Empfänger
- TDD- oder FDD-Systeme
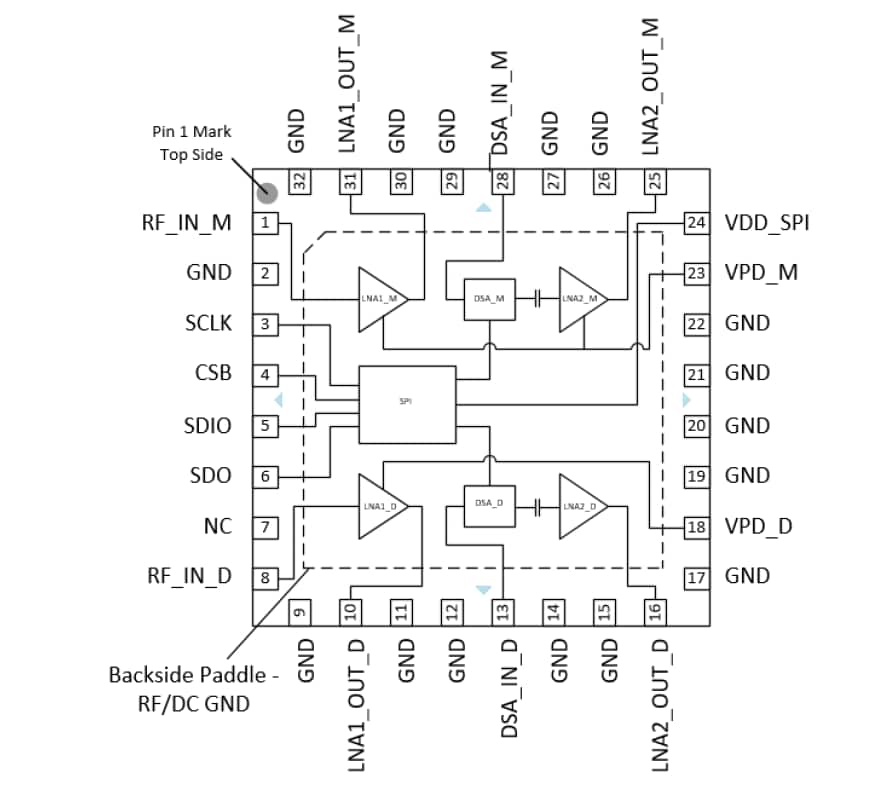
Funktionales Blockdiagramm
Veröffentlichungsdatum: 2024-05-31
| Aktualisiert: 2024-06-07
