Qorvo QPC1217Q DPDT-Transferschalter
Die Qorvo QPC1217Q DPDT-Transferschalter sind für Schaltapplikationen entwickelt, bei denen eine HF-Anschlussübertragungs-Steuerung (Anschlusstausch) erforderlich ist. Diese Transferschalter weisen eine geringe Einfügungsdämpfung mit hervorragender Linearitätsleistung auf, wodurch sie ideal für EDGE-, GSM-, V2X-, LTE- und DSRC-Applikationen geeignet sind. Die QPC1217Q Transferschalter bieten eine hohe Anschluss-zu-Anschluss-Isolierung, eine GPIO-Schnittstelle, eine Linearität und eine harmonische Leistung sowie einen Betrieb von bis zu 6 GHz und einen sehr geringen Stromverbrauch.Merkmale
- Geringe Einfügungsdämpfung
- Hohe Anschluss-zu-Anschluss-Isolierung
- GPIO-Schnittstelle für 1,3 V bis 2,7 V Steuerlogikschaltung
- Betrieb bis zu 6 MHz
- Breitbandleistung für Mobilfunk/WLAN/BT/V2X geeignet
- Sehr niedriger Stromverbrauch
- Linearität und harmonisches Betriebsverhalten
- AEC-Q100 Grade-2-qualifiziert
Applikationen
- V2X, DSRC, eCall, WLAN
- Universalschaltung bis zu 6 GHz
- Mehrfachmodus-GSM, EDGE, WCDMA und LTE
Blockdiagramm
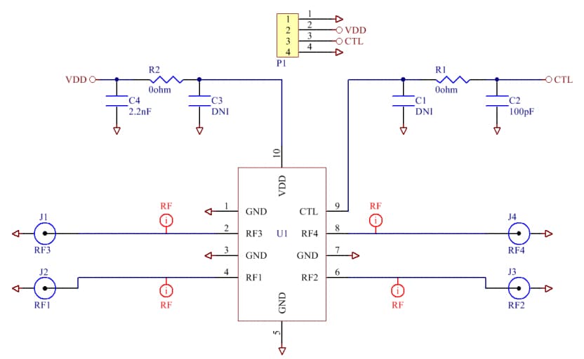
Applikations-Schaltung Schaltplan
Veröffentlichungsdatum: 2018-12-04
| Aktualisiert: 2022-03-10
