Qorvo QPC2040 X-Band-GaN-SPDT-Schalter von 10 W
Der Qorvo QPC2040 X-Band-GaN(Galliumnitrid)-SPT-Schalter von 10 W ist ein Single-Pole-Double-Throw-Schalter, der auf einem proprietären QGaN15-0,15-µm-GaN-auf-SiC-Produktionsprozess hergestellt wird. Der QPC040 wird von 8 GHz bis 12 GHz betrieben und unterstützt eine Eingangsstrombelastbarkeit von 10 W bei Steuerspannungen von 0 V und -28 V gepulste HF-Betriebsabläufe. Der Schalter verfügt über eine geringe Einfügungsdämpfung von weniger als 1,2 dB und eine Isolierung von mehr als 30 dB, wodurch er sich hervorragend für Hochleistungsschaltapplikationen in Verteidigungs- und kommerziellen Plattformen eignet.Der QPC2040 X-Band-GaN-SPDT-Schalter von 10 W von Qorvo wird in einem umspritzten Quad-Flat-No-Lead-Gehäuse (QFN) von 3,0 mm x 4,5 mm angeboten und ist RoHS-konform.
Merkmale
- Frequenzbereich: 8 GHz bis 12 GHz
- Eingangsleistung: 10 W
- Einfügungsdämpfung: 1,2 dB
- Isolierung: 30 dB (typisch)
- HF-Eingangsleistung
- 44,5 dBm (PW = 100 μ, DC = 25 %, 50 Ω, tBASE = 85 °C)
- 43,0 dBm (PW = 100 μ, DC = 25 %, 3:1-VSWR, tBASE = 85 °C
- Schaltgeschwindigkeit: 35 ns
- Steuerspannungen: 0 V, -28 V
- Verlustleistung: 75 W
- Betriebstemperaturbereich: -40 °C bis +85 °C
- Temperaturbereich: -55 °C bis +150 °C
- QFN-Gehäuse von 3,0 mm x 4,5 mm x 1,05 mm
- Halogenfrei, bleifrei und RoHS-konform
Applikationen
- Kommerzielle und militärische Radars
- Kommunikation
- Elektronische Kriegsführung
Blockdiagramm
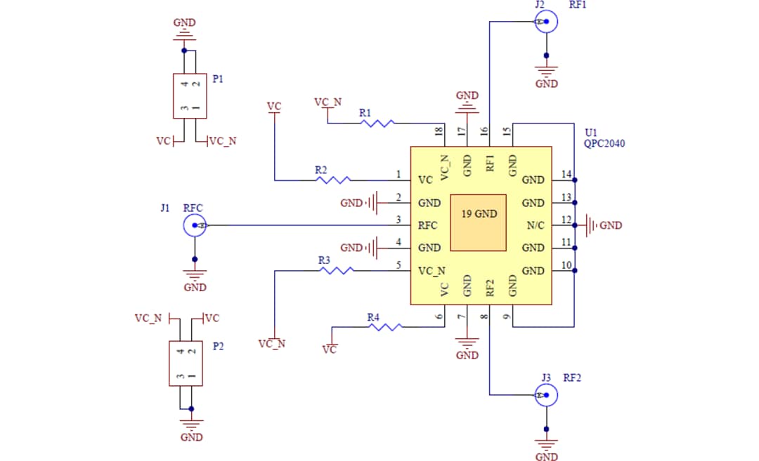
Typische Applikations-Schaltung
Veröffentlichungsdatum: 2021-12-06
| Aktualisiert: 2022-03-11
