Qorvo QPC7337PCBA Evaluierungsboard
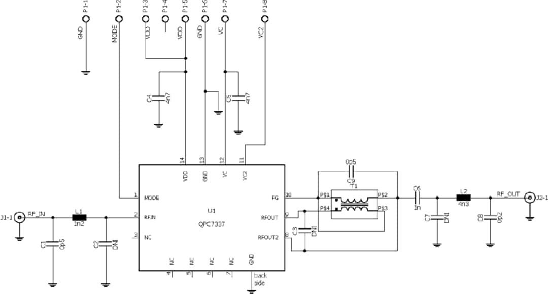
Das Qorvo QPC7337PCBA Evaluierungsboard ist eine Demonstrations- und Entwicklungsplattform für den QPC7337 variablen Spannungsequalizer. Der QPC7337 ist für nachgeschaltete DOCSIS 4.0 ESD-Pfadapplikationen zwischen 284 MHz und 1.794 MHz optimiert. Der QPC7337 verfügt über einen Neigungsbereich von 17 dB, eine geringe Einfügungsdämpfung, eine hohe Linearität und eine Impedanz von 75 Ω für CATV-Applikationen. Das Bauteil wird mit einer einzelnen Versorgungsspannung von 5 V und einem niedrigen Versorgungsstrom von 3 mA betrieben.Das QPC7337PCBA Evaluierungsboard von Qorvo verfügt über einen vorbestückten QPC7337 in einem 14-Pin-Multichip-Modul (MCM) zusammen mit einer Unterstützungsschaltung und zwei 75-Ω-F-Steckverbindern für einen HF-Ein- und HF-Ausgang. Das Evaluierungsboard bietet eine Beispiel-Applikations-Schaltung, die ein schnelles Prototyping bei einem Einsatz in bestehende Designs ermöglicht.
Schaltplan
Veröffentlichungsdatum: 2021-08-18
| Aktualisiert: 2022-03-11
