Qorvo QPL7433 45 MHz bis 3,3 GHz Rauscharmer Verstärker
Der Qorvo QPL7433 50 MHz bis 3,3 GHz rauscharme Verstärker ist ein einendiger MMIC pHEMT HF-Verstärker-IC mit hoher Gain und großer Bandbreite, der über einen 17,5 dB flachen Gain verfügt. Der QPL7433 ist zur Unterstützung von CPE-Frontends (customer-Premise equipment, CPE), Kabel-, Satelliten- und terrestrischen TVs, Heim-gateways und Kabelmodems von 50 MHz bis 3.300 MHz mit einer einzelnen 5 V-Versorgung ausgelegt.Der QPL7433 von Qorvo bietet geringes Rauschen und geringe Verzerrung sowie eine hohe Gain in einem kompakten 2 mm x 2 mm DFN-Gehäuse, wodurch er sich hervorragend für platzbeschränkte Applikationen eignet.
Merkmale
- 50 MHz bis 3,3 GHz Frequenzbereich
- Verstärkung von bis zu 17,5 dB über die gesamte Bandbreite
- Niedriger Stromverbrauch von 5 V, 90 mA
- 1,5 dB Typischer Rauschfaktor
- 20 dB Umkehrisolation
- 15 dB Ausgaberücklaufdämpfung
- Einstellbare Vorspannung mit externen Widerständen
- Betriebstemperaturbereich: -40 °C bis +85 °C
- Lagertemperaturbereich: -65 °C bis +150 °C
- Gehäuseausführung: DFN-8
- Gehäuseabmessungen: 2 mm × 2 mm
- RoHS-konform
Applikationen
- Kabel-, Satelliten- und terrestrisches Fernsehen
- DOCSIS mit erweitertem Spektrum
- CATV-Knoten und -Verstärker
- Rauscharme Satelliten-Verstärker
- Kabelmodem und Set-Top-Boxen
- Einendiger Gain-Block
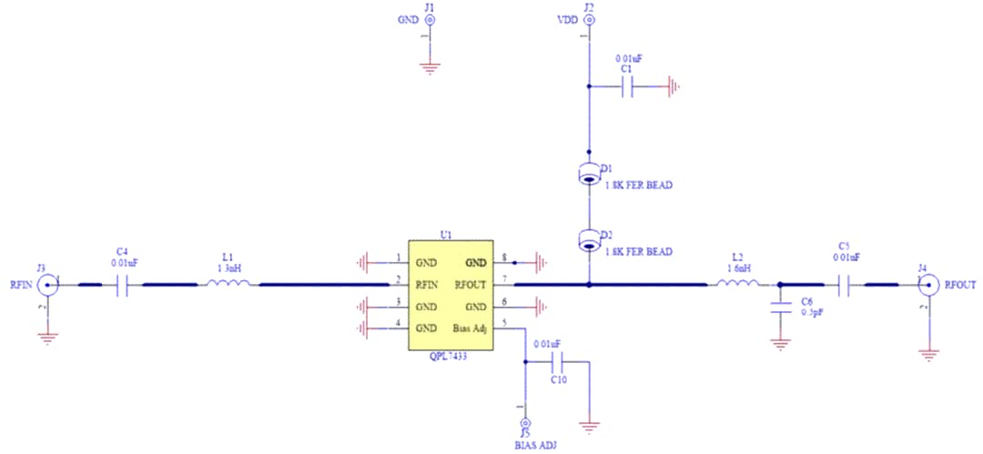
Typische Applikations-Schaltung
Pin-Bezeichnungen
Gehäuseabmessungen
Veröffentlichungsdatum: 2020-02-24
| Aktualisiert: 2024-09-06
