Qorvo QPQ6108 FDD-Band-8-TC-SAW-Duplexer
Qorvo QPQ6108 FDD-Band-8-TC-SAW-Duplexer sind leistungsstarke temperaturkompensierte Oberflächenwellen-Duplexer (TC-SAW), die für Band-8-Uplink-/Downlink-Applikationen ausgelegt sind. Die QPQ6108 Duplexer verfügen über eine geringe Einfügungsdämpfung und eine hohe Unterdrückung, wodurch sie sich hervorragend für Kleinzellen, Band-8- und LTE-Dongles eignen. Die QPQ6108 FDD-Band-8-TC-SAW-Duplexer von Qorvo sind in einem kompakten, RoHs-konformen Gehäuse zur Oberflächenmontage (SMP) von 2,00 mm x 2,50 mm x 0,87 mm verfügbar.Merkmale
- Bandbreite von 35 MHz – Band-8-Uplink und -Downlink
- Temperaturkompensiert
- Hohe Dämpfung
- Niedriger Verlust
- Keine externe Steckung erforderlich
- Betrieb mit Einfacheingang, Einfachausgang
- Kleine Größe von 2,00 mm x 2,50 mm x 0,87 mm
- Gehäuse zur Oberflächenmontage (SMP)
- RoHs-konform, bleifrei
Applikationen
- Band 8
- Basisstations-Infrastruktur
- Kleinzellen
- Verstärker
- Router
- LTE-Dongles
- Universal-Wireless
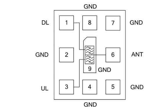
Funktionales Blockdiagramm
Veröffentlichungsdatum: 2021-01-13
| Aktualisiert: 2022-03-11
