Radiall Ramses SP6T Cryogenic Quantum Computing Switch

Radiall R583423141 Ramses SP6T Latching Cryogenic Quantum Computing Switch is a D-Sub SMA device with Bipolar Actuator Command designed to meet Industrial cryogenic needs. The R583423141 functions at extremely low temperatures (0 Kelvin/-273°C) and needs very little power for actuation. This switch is the perfect solution for a variety of laboratory applications that experience low temperatures. Composed of a harness with a D-sub connector, it can be easily integrated into equipment.

Features

  • Based on Ramses concept
  • Withstands extremely low temperatures (0 Kelvin/-273°C)
  • Easy integration
  • Bipolar actuator command option
  • Very low power consumption
  • Splashproof construction
  • 15-pin D-Sub male connector terminals
  • RoHS compliant

Specifications

  • 6-way
  • 0 to 18GHz frequency range
  • 50Ω impedance
  • 1.20 to 1.50 maximum VSWR range
  • 0.20dB to 0.50dB maximum insertion loss range
  • 60dB to 80dB minimum isolation range
  • 100W to 240W average power range
  • 62.5mA nominal current at +25°C (±10%)
  • 28V actuator voltage
  • 5,000,000 cycles per position durability
  • <15ms switching time
  • -273°C to +85°C temperature range

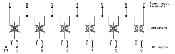
Schematic

Schematic - Radiall Ramses SP6T Cryogenic Quantum Computing Switch
Veröffentlichungsdatum: 2022-06-20 | Aktualisiert: 2024-01-30