Renesas Electronics ISL85003/ISL85003A Synchronous Buck Regulators

Renesas Electronics ISL85003/ISL85003A Synchronous Buck Regulators are synchronous buck regulators with integrated high-side and low-side FETs. The regulator can operate from an input voltage range of 4.5V to 18V while delivering a very efficient continuous 3A current. This is all delivered in a very compact 4x3mm DFN package. The ISL85003 is designed on Intersil's proprietary fab process that is designed to deliver very low RDS(ON) FET's with an optimized current mode controller wrapped around it. The high-side NFET is designed to have an RDS(ON) of 65mΩ while the low-side NFET is designed to have an RDS(ON) of 45mΩ. With these two FET's, the device delivers very high-efficiency power to the load. The ISL85003 can automatically switch between DCM and CCM for light-load efficiency in DCM. The switching frequency in CCM is internally set to 500kHz.

Features

  • Input voltage range 4.5V to 18V
  • Output voltage adjustable from 0.8V, ±1%
  • Efficiency up to 95%
  • Current mode control
  • DCM/CCM
    • Internal or external compensation options
    • 500kHz switching frequency option
    • External synchronization up to 2MHz on ISL85003
  • Integrated boot diode with Undervoltage detection
  • Adjustable soft-start time on the ISL85003A
  • Open drain PG window comparator
    • Built-in protection
    • Positive and negative overcurrent protection
    • Overvoltage and thermal protection
    • Input overvoltage protection

Applications

  • Network and communication equipment
  • Industrial process control
  • Multifunction printers
  • Point of load regulators
  • Standard 12V rail supplies
  • Embedded computing

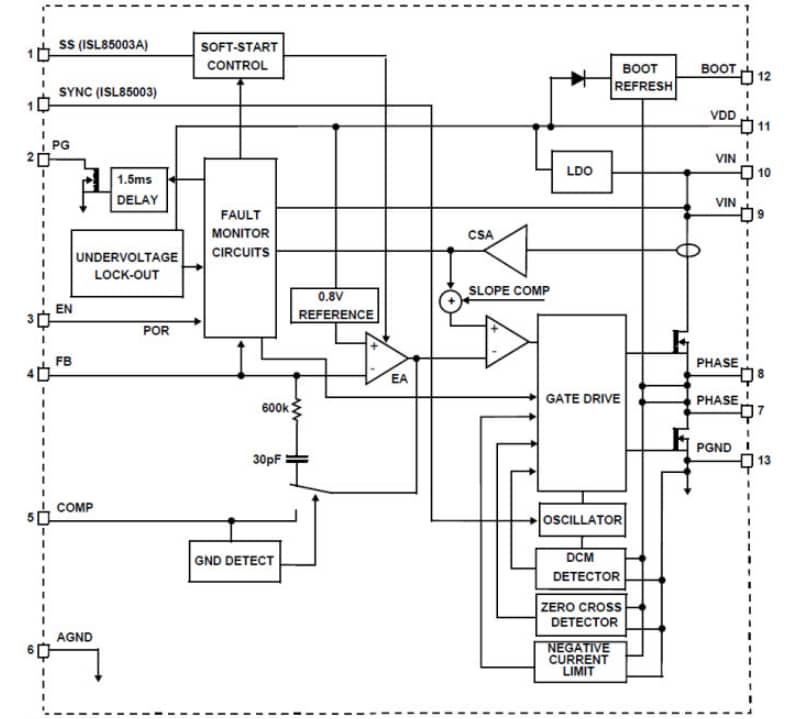
ISL85003/ISL85003A Block Diagram

Block Diagram - Renesas Electronics ISL85003/ISL85003A Synchronous Buck Regulators
Veröffentlichungsdatum: 2014-06-02 | Aktualisiert: 2024-04-05