Renesas Electronics ISL9238 Auf-/Abwärts-NVDC-Ladegerät
Das Renesas/Intersil ISL9238 Auf-/Abwärts-NVDC-Ladegerät mit Ladefunktion bietet die NVDC-Ladefunktion (Narrow Output Voltage DC), Systembus-Regulierung und Schutzfunktionen für Tablets, Ultrabooks, Notebooks, Powerbanks und alle USB-C-Schnittstellen-Plattformen. Die erweiterte R3™-Technologie von Intersil wird eingesetzt, um einen hohen Wirkungsgrad bei geringer Last und eine schnellere Einschwingzeit zu ermöglichen. Im Lademodus bezieht das ISL9238 Eingangsstrom aus einer Vielzahl von DC-Stromquellen. Es lädt dann sicher Akkupacks mit bis zu 4-zelligen Li-Ionen-Batterien. Als NVDC-Topologie-Ladegerät regelt es auch die Systemausgabe auf einen engen DC-Bereich für eine stabile Systembusspannung. Die Stromversorgung des Systems kann vom Adapter, der Batterie oder einer Kombination von beiden erfolgen. Das ISL9238 kann nur mit einer Batterie, nur mit einem Adapter oder mit beiden Anschlüssen betrieben werden.Merkmale
- Buck-boost NVDC charger for 1, 2, 3, or 4-cell Li-ion batteries
- 3.2V to 23.4V (no dead zone) input voltage range
- 2.4V to 18.304V system output voltage
- Autonomous charging option (automatic end of charging)
- System power monitor PSYS output, IMVP compliant
- Up to 1MHz switching frequency
- Adapter current and battery current monitor (AMON/BMON)
- PROCHOT# open-drain output, IMVP compliant
- Allows trickle charging of depleted battery
- Ideal diode control in Turbo mode
- Reverse buck, boost, and buck-boost operation from battery
- Two-level adapter current limit available
- Battery Ship mode option
- SMBus and auto-increment I2C compatible
- Package 4x4 32 Lead TQFN
Applikationen
- 1 to 4-cell tablet
- Ultrabook
- Notebook
- Power bank
- Any USB-C interface portable device requiring batteries
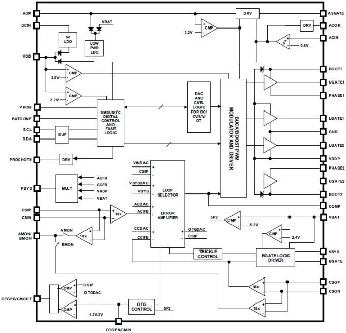
Block Diagram
Veröffentlichungsdatum: 2016-12-07
| Aktualisiert: 2025-05-22
