Renesas Electronics ISL78263 Boost- und Buck-Kaltstart-Controller
Der Renesas Electronics ISL78263 Boost- und Buck-Kaltstart-Controller ist ein Dual-Controller-Bauteil, das Unterstützung für zwei DC/DC-Kanäle, und zwar Boost und Buck mit jeweils mehreren unterstützenden Konfigurationen bietet. Kanal 1 wird als Abwärtswandler betrieben und kann als feste Ausgangsspannung von 3,3 V oder 5,0 V oder als einstellbare Ausgangsspannung von 0,8 V bis 5,0 V konfiguriert werden. Kanal 2 ist eine Aufwärtsschaltung, die für den Betrieb in einem individuellen Boost und Kaltstart-Boost konfiguriert werden kann. Der ISL78263 ist zur Unterstützung von Automotive-Systemen ausgelegt, die während Batterie-Dropout-Bedingungen weiterhin betrieben werden müssen. Der Kanal-2-Aufwärtsregler hält die Spannungsschiene zur Versorgung des Kanal-1-Abwärtsreglers aufrecht, die während einem Batterie-Dropout innerhalb der Regelung bleiben muss. Die Aufwärts- und Abwärtsstufen können auch vollständig unabhängig sein.Der Kanal-2-Boost im Kaltstart-Boost-Modus verfügt über einen einstellbaren Ausgang und ist während der Kaltstartphase aktiv, wenn 2,1 V < VBAT < 8 V ist. Die Ausgangsspannung von Kanal 2 versorgt den Kanal-1-Buck. Dies kann entweder als 3,3 V oder 5 V fest mit einer direkten Verbindung von FB1 bis VOUT1 konfiguriert oder mit einem Widerstandsteiler von VOUT1 bis FB1 zur Masse von 0,8 V bis 5 V eingestellt werden.
Der ISL78263 benötigt für die Inbetriebnahme eine minimale Eingangsspannung von 5,65 V. Der Kanal-2-Boost verfügt über einen Eingangsbereich von 2,1 V bis 42 V, während der Kanal-1-Buck über einen Eingangsbereich von 3,5 V bis 42 V verfügt
Der ISL78263 Abwärtswandler arbeitet im Energiesparmodus (ECM) für einen niedrigen IQ-Modus, indem die Ruhestromaufnahme auf 6 µA (typisch) reduziert wird, wenn keine externe Last angelegt wird. Die Schaltfrequenz ist im Bereich von 0,2 MHz bis 2,2 MHz programmierbar und kann über den SYNC-Pin mit einem externen Takt synchronisiert werden. Der optionale Frequenzspreizungsbetrieb ermöglicht eine Reduzierung der EMI und des Rauschpegels.
Der ISL78263 Boost- und Buck-Kaltstart-Controller von Renesas Electronics ist AEC-Q100 Klasse 1 qualifiziert und für einen Betrieb über einen Umgebungstemperaturbereich von -40 °C bis +125 °C ausgelegt. Dieses Bauteil ist in einem WFQFN-Gehäuse (benetzbare Flanke (Quad-Flat-No-Lead, WFQFN) von 5 mm x 5 mm verfügbar. Aufgrund der Merkmale des ISL78263 eignet er sich hervorragend als Frontend-Regler für Automotive-Systeme, die einen Dauerbetrieb aufrechterhalten und starke Kaltstart-Transienten unterstützen müssen.
Merkmale
- Betriebsbereich: 2,1 bis 42,0 VIN
- Niedriger Ruhestrom von 6 µA (typisch), Buck-Kanal
- Schaltfrequenz: 200 kHz bis 2,2 MHz
- Boost-Frequenz bei 1 x oder 0,2 x der Buck-Frequenz
- Dropout-Modus (Buck) für einen Betrieb mit hohem Tastverhältnis
- Einschaltzeiten von 25 ns für einen Betrieb mit niedrigem Tastverhältnis
- Externe Synchronisierung
- Programmierbare Frequenzspreizungstaktung
- MOSFET-Treiber mit 2 A Quelle/3 A Senke
- Boot-UV und programmierbare Boot-Aktualisierungszeit
- Umfassende Schutzmechanismen für OV/UV/OC/OT
- Betriebstemperaturbereich: -40 °C bis +125 °C
- WFQFN32-Gehäuse von 5 mm x 5 mm
- Qualifiziert gemäß AEC-Q100 Klasse 1
- RoHS-konform
Applikationen
- Batteriebetriebene Fahrzeuganwendungen
- Start-Stopp-geschützte Systeme, wie z. B. Haupteinheiten, Kombiinstrumente und E-Spiegel
- Interne Kabinensysteme
- Erweiterte Fahrerassistenzsysteme (FAS)
Konfigurationsoptionen
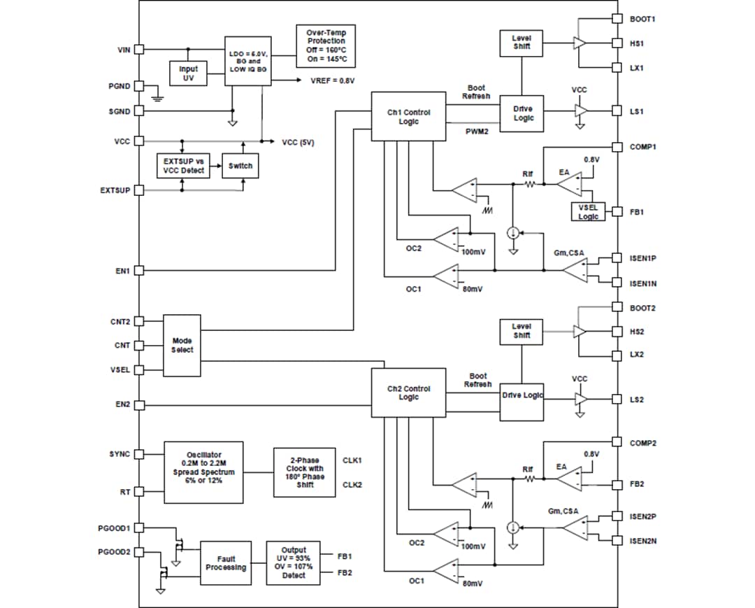
Blockdiagramm
Typische Applikations-Schaltung
IVI-Systemapplikations-Schaltung
Gehäuseabmessungen
