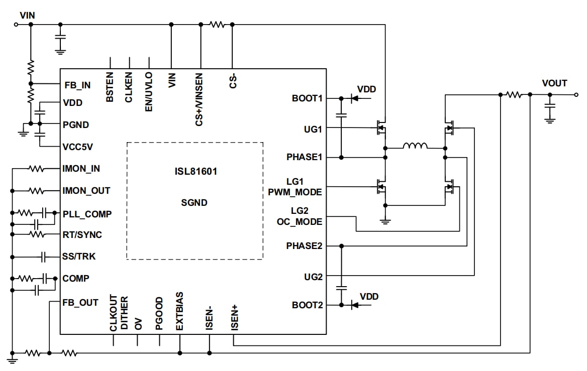
Renesas Electronics ISL81601EVAL1Z Evaluierungsboard
Das ISL81601EVAL1Z Evaluierungsboard von Renesas Electronics ist speziell für Hochstromapplikationen ausgelegt. Der Nennstrom des ISL81601EVAL1Z wird durch FETs und eine ausgewählte Induktivität begrenzt. Das Board verfügt über den ISL81601 synchronen 60V-Hochspannungs-Auf-/Abwärts-Controller. Der Controller bietet einen externen Sanftanlauf, unabhängige Freigabefunktionen und enthält einen UV-/OV-OC-/OT-Schutz. Ein programmierbarer Schaltfrequenzbereich von 100 kHz bis 600 kHz trägt zur Optimierung der Größe der Induktivität bei, während der starke Gate-Treiber bis zu 20 A für den Auf-/Abwärts-Ausgang liefert.Merkmale
- Großer Eingangsspannungsbereich: 9 V bis 60 V
- Bidirektionaler Betrieb
- Hoher Wirkungsgrad bei leichter Last mit Pulse-Skipping-DEM-Betrieb
- Programmierbarer Sanftanlauf
- Optionaler DEM-/PWM-Betrieb
- Optionaler CC-/HICCUP-OCP-Schutz
- Unterstützt einen vorgespannten Ausgang mit Sanftanlauf
- PGOOD-Anzeige
- OVP-, OTP- und UVP-Schutz
- Negative Vorspannung vom Ausgang zur Erhöhung des Wirkungsgrads
Blockdiagramm
Veröffentlichungsdatum: 2018-10-08
| Aktualisiert: 2023-02-10
