Renesas Electronics ISL81801 Evaluierungsboards
Renesas Electronics ISL81801 Evaluierungsboards sind zur Evaluierung des ISL81801 synchronen 80-V-Auf-/Abwärtswandlers ausgelegt. Diese Boards umfassen einen bidirektionalen Betrieb, einen hohen Wirkungsgrad bei geringer Last im impulsüberspringenden DEM-Betrieb und einen programmierbaren Soft-Start. Die ISL81801 Evaluierungsboards bieten einen optionalen CC-/HICCUP-OCP-, OVP-, OTP- und UVP-Schutz. Die Größe der Induktivität ist von einem programmierbaren Schaltfrequenzbereich von 100 kHz bis 600 kHz optimiert und der starke Gate-Treiber bietet einen Strom von bis zu 20 A für einen Auf-/Abwärtswandlerausgang. Diese Evaluierungsboards sind für Hochstromapplikationen ausgelegt.ISL81801EVAL1Z Evaluierungsboard
Das ISL81801EVAL1Z Evaluierungsboard wird in einem Eingangsspannungsbereich von 9 V bis 80 V betrieben und bietet eine Schaltfrequenz von 200 kHz, eine Ausgangsspannung von 12 V und einen Ausgangsstrom von 10 A. Dieses Evaluierungsboard verfügt über einen Überstromschutz-Sollwert (OCP) von mindestens 11 A bei Raumtemperatur.
ISL81801EVAL2Z Evaluierungsboard
Das ISL81801EVAL2Z Evaluierungsboard wird in einem Eingangsspannungsbereich von 32 V bis 80 V betrieben, der eine Ausgangsspannung von 48 V und einen Ausgangsstrom von 5 A bietet. Dieses Evaluierungsboard verfügt über einen Überstromschutz-Sollwert (OCP) von mindestens 5,5 A bei Raumtemperatur.
Merkmale
- PGOOD-Anzeige
- Überspannungsschutz (OVP)
- Einmalig programmierbarer Speicher (OTP)
- Unterspannungsschutz (UVP)
- Optionaler CC-/HICCUP-OCP-Schutz
- Programmierbarer Schaltfrequenzbereich: 100 kHz bis 600 kHz
Technische Daten
- ISL81801EVAL1Z Evaluierungsboard:
- Eingangsspannungsbereich: 9 V bis 80 V
- Schaltfrequenz: 200 kHz
- Ausgangsspannung: 12 V
- Ausgangsstrom: 10 A
- OCP-Sollwert bei Raumumgebungstemperatur: 11 A
- ISL81801EVAL2Z Evaluierungsboard:
- Eingangsspannungsbereich: 32 V bis 80 V
- Schaltfrequenz: 200 kHz
- Ausgangsspannung: 48 V
- Ausgangsstrom: 5 A
- OCP-Sollwert bei Raumumgebungstemperatur: 5,5 A
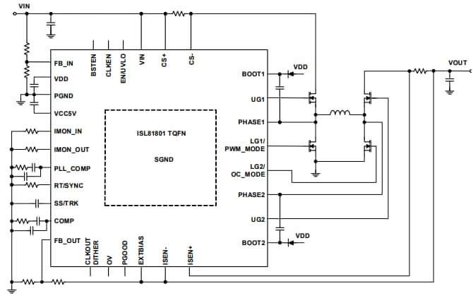
Blockdiagramm
View Results ( 2 ) Page
| Teilnummer | Datenblatt | Eingangsspannung | Ausgangsspannung | Ausgangsstrom |
|---|---|---|---|---|
| ISL81801EVAL1Z | ![]() |
9 V to 80 V | 12 V | 10 A |
| ISL81801EVAL2Z | ![]() |
32 V to 80 V | 48 V | 5 A |
Veröffentlichungsdatum: 2020-12-16
| Aktualisiert: 2022-03-11

