Renesas Electronics ISL85033 Dual-Standard-Abwärtsregler
Renesas Electronics ISL85033 Dual-Standard-Abwärtsregler können einen Dauerausgangsstrom von 3 A pro Kanal liefern. Der ISL85033 verfügt über einen Eingangsbereich von 4,5 V bis 28 V und ermöglicht eine Hochfrequenz-Leistungslösung für eine große Auswahl von Punktlast-Applikationen.Der PWM-Controller im ISL85033 treibt einen internen Schaltungs-n-Kanal-Leistungs-MOSFET an. Dies erfordert eine externe Schottky-Diode zur Erzeugung der Ausgangsspannung. Ein optimierter Leistungsschalter bietet eine thermische Leistung von bis zu 3 A des Ausgangsstroms. Der ISL85033 von Renesas Electronics verwendet eine Spitzenstrommodus-Steuerung, um Flexibilität bei der Auswahl der Komponenten zu bieten und die Lösungsgröße zu reduzieren. Die Schutzfunktionen umfassen einen Überstrom-, UVLO- und thermischen Überlastschutz.
Der ISL85033 wird in einem kleinen bleifreien Quad-Flat-No-Lead-Gehäuse (TQFN) von 4 mm x 4 mm angeboten.
Merkmale
- Großer Eingangsspannungsbereich von 4,5 V bis 28 V
- Einstellbare Ausgangsspannung mit Dauerausgangsstrom von bis zu 3 A
- Strommodus-Steuerung
- Einstellbare Schaltfrequenz von 300 kHz bis 2 MHz
- Unabhängige Power-Good-Erkennung
- Auswählbarer Phasen- oder phasenversetzter PWM-Betrieb
- Unabhängiges, sequenzielles, ratiometrisches oder absolutes Tracking zwischen den Ausgängen
- Interne Soft-Startzeit: 2 ms
- Überstromschutz/Kurzschluss-Sicherung, thermischer Überlastschutz, UVLO
- Boot-Unterspannungserkennung
- Bleifrei (RoHS-konform)
Applikationen
- Universal-Punktlast-DC/DC-Leistungsumwandlung
- Set-Top-Boxen
- FPGA-Leistung und STB-Leistung
- DVD- und HDD-Laufwerke
- LCD-Panels und Stromversorgung für Fernseher
- Kabelmodems
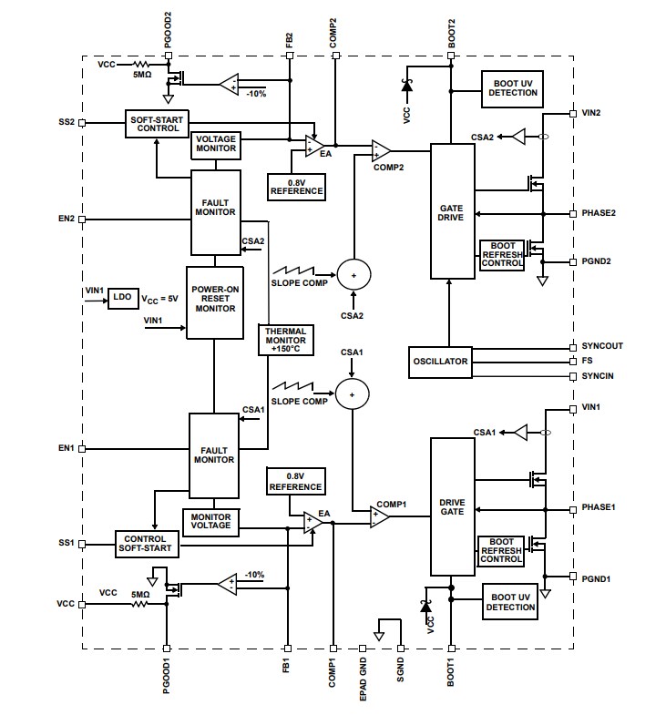
Blockdiagramm
Veröffentlichungsdatum: 2020-07-10
| Aktualisiert: 2022-10-24
