Renesas Electronics ISL9005A Low-Dropout-Linearregler
Renesas ISL9005A Low-Dropout-Linearregler bieten eine hohe Leistungsfähigkeit und sind in der Lage, 300 mA Strom zu beziehen. Die ISL9005A LDOs verfügen über einen niedrigen Standby-Strom und einen hohen PSRR von 75 dB und sind mit einer Ausgangskapazität von 1 µF bis 10 µF mit ESR von bis zu 200 mΩ stabil. Der ISL9005A ist eine ideale Wahl für tragbare drahtlose Ausrüstungen, wenn er mit einem Nulllast-Ruhestrom von 50 µA (typisch) und einem Abschaltstrom von 0,1 µA gekoppelt wird.Mehrere verschiedene feste Spannungsausgänge sind Standard und die Ausgangsspannungsoptionen für jeden LDO-Bereich reichen von 1,5 V bis 3,3 V.
Merkmale
- 300-mA-Hochleistungs-LDO
- Hervorragendes Einschwingverhalten auf große Stromstufen
- Eine ausgezeichnete Lastregelung von < 0,1 % Spannungsänderung über den gesamten Laststrombereich
- Hohe PSRR: 75 dB bei 1 kHz
- Große Eingangsspannung: 2,3 V bis 6,5 V
- Sehr niedriger Ruhestrom von 50 µA
- Niedrige Dropout-Spannung: 200 mV bei 300 mA (typisch)
- Geringes Ausgangsrauschen: 45 µVRMS bei 100 µA (1,5 V) (typisch)
- Stabil mit 1-µF - bis 10-µF-Keramikkondensatoren
- Soft-Start zur Begrenzung des Eingangsstoßstroms während der Freigabe
- Strombegrenzung und Überhitzungsschutz
- ±1,8 % Genauigkeit über alle Betriebsbedingungen
- Winziges 8-Ld-DFN-Gehäuse von 2 mm x 3 mm
- Betriebstemperaturbereich: -40 °C bis +85 °C
- Bleifrei (RoHS-konform)
Applikationen
- PDAs, Handys und Smartphones
- Tragbare Instrumente, MP3-Player
- Tragbare Geräte, einschließlich medizinische Handhelds
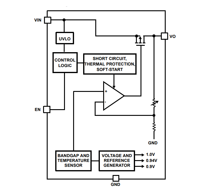
Blockdiagramm
Veröffentlichungsdatum: 2019-12-03
| Aktualisiert: 2023-10-02
