Renesas Electronics ISLACDC750WEVKIT1Z Evaluierungskit

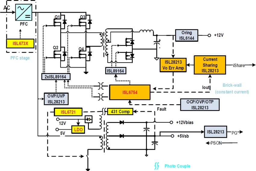
Das Renesas Electronics ISLACDC750WEVKIT1Z Evaluierungskit ist zur Demonstration der ATX PC-Netzteilapplikationen ausgelegt, die auf dem ISL6754 ZVS-PWM-Vollbrücken-Controller, den ISL6731A und ISL6731B Blindleistungskompensations-Controllern und dem einendigen PWM-Strommodus-Controller basieren. Mit einem 400VDC-Bus kann der Wandler bei 62,5 A 12 V ausgeben. Die Leistungsfähigkeit des Wirkungsgrades kann bis zu 80 % betragen. Allgemeine Schutzfunktionen, wie Eingangs-Überspannungs- und Unterspannungsschutz, Ausgangs-Überspannungs-, Überstrom-, Übertemperaturschutz und die Kurzschlusssicherung machen diese Schaltung sehr zuverlässig. Der PSON-Pin bietet eine Schnittstelle zur Fernsteuerung des Boards und ein Power-Good-Pin (PG) zeigt den Betriebszustand der Schaltung an. Die Schaltung kann auch an ein Batterieladegerät angepasst werden.

Merkmale

  • Übertemperaturschutz (OTP)
  • Unterspannungsschutz (UVP)
  • Überstromschutz (OCP)
  • Kurzschluss-Sicherung
  • Stand-by-Modus schaltet Blindleistungskompensation (PFC) und DC/DC aus

Lieferumfang Kit

  • ISLACDC750W-MBEV1Z Hauptboard (MB)
  • ISL6731x-DB-1Z Tochterboard (PFDB)
  • ISL6721-DB-1Z Tochterboard (BiasDB)
  • ISL6754DBEVAL2Z Tochterboard (ZVSDB)

Test-Einstellung

Renesas Electronics ISLACDC750WEVKIT1Z Evaluierungskit

Systemblockdiagramm

Renesas Electronics ISLACDC750WEVKIT1Z Evaluierungskit

PFC-Stufen Blockdiagramm

Renesas Electronics ISLACDC750WEVKIT1Z Evaluierungskit
Veröffentlichungsdatum: 2018-07-05 | Aktualisiert: 2023-02-09