Renesas Electronics R2A25110KSP Intelligentes Leistungsbauelement
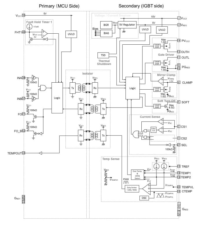
Das intelligente Leistungsbauelement R2A25110KSP von Renesas Electronics ist für IGBT-Gate-Treiber in einer Hochspannungs-Wechselrichter-Applikation konzipiert. Der Mikroisolator mit einer kernlosen Transformator-Konfiguration ist für die Datenübertragung mit Hochspannungsisolierung zwischen dem Primärkreis (MCU-Seite) und dem Sekundärkreis (IGBT-Seite) implementiert.Das intelligente Leistungsbauelement R2A25110KSP von Renesas enthält eine IGBT-Gate-Treiberschaltung, eine Miller-Clamp-Schaltung, eine sanfte Abschaltschaltung und verschiedene Schutzschaltungen, beispielsweise eine IGBT-Temperaturerkennung. Darüber hinaus unterstützt das R2A25110KSP das Ansteuern paralleler IGBTs.
Merkmale
- On-Chip-Mikroisolator (isolierte Schaltung)
- Hochspannungsisolierung von 2500 VRMS
- Hohe Gleichtaktunterdrückung (CMR) über 35 kV/us
- Hochspannungsisolierung von 2500 VRMS
- Gate-Treiberschaltung mit hoher Leistung
- Gate-Drive-Ausgangswiderstand von maximal 1,0 Ω (IGBT-Parallelschaltung unterstützt)
- Aktive eingebaute Miller-Clamp Funktion
- Eingebaute sanfte Abschaltfunktion
- Betriebstemperaturbereich von -40 °C bis +125 °C (Sperrschichttemperatur von maximal +150 °C)
- 5 V On-Chip-Regler
- Verschiedene On-Chip-Schutzschaltungen
- IGBT-Emitterstromerkennungsschaltung mit 2 Kanälen
- Überstromerkennung (Schwellspannung: 0,25 V, typisch), Kurzschlusserkennung (Schwellspannung: 0,5 V, typisch)
- Überstromerkennung kann aktiviert/ deaktiviert werden (SEL-Pin)
- Zwei-Kanal IGBT-Temperaturerfassungsschaltung
- On-Chip-Unterspannungs-Sperrschaltung
- VCC1 (5-V-System) von 4,1 V (typisch)
- VCC2 (15-V-System) von 10 V (typisch)
- On-Chip-Übertemperaturschutzschaltung (+200 °C)
- FAULT-Rückmeldung, einstellbare FAULT-Haltezeit mit dem externen Kondensator
Applikationen
- Hauptwechselrichter für EV/ HEV in der Automobilindustrie
- Wandler für EV/HEV in der Automobilindustrie
- Umrichter und Wandler für industrielle Geräte
Blockdiagramm
Veröffentlichungsdatum: 2023-05-05
| Aktualisiert: 2023-06-20
