Renesas Electronics RC192xxA PCIe-Taktpuffer und Multiplexer der 5./6. Gen.
Renesas Electronics RC192xxA PCIe Taktpuffer und Multiplexer der 5./6. Gen. verfügen über einen extrem niedrigen additiven Jitter und drei Signalpfadoptionen für Design-Flexibilität. Der integrierte Quellenanschluss von 85 Ω oder 100 Ω, der bis zu 64 externe Widerstände für die 16-Kanal-MUX-Ausführung spart. Die serielle Hochgeschwindigkeits-Schnittstelle (SBI) unterstützt die Ausgangsfreigabe und die Verkettung des Bauteils. Die Systemsicherheit auf dem RC192xxA wird mit einem SMBus-Schreibschutz gewährleistet.Die RC192xxA PCIe-Taktpuffer und Multiplexer der 5./6. Gen. von Renesas bieten eine erweiterte Betriebstemperatur in einem kleinen Gehäuse.
Merkmale
- Niedriger additiver Jitter
- PCIe Gen5 Additiver Phasenjitter von 7 fs RMS
- PCIe Gen6 Additiver Phasenjitter von 4 fs RMS
- Maximale Laufzeitverzögerung am Ein-/Ausgang von <1,7 ns
- Eingang mit Abschalttoleranz (PDT) und flexible Leistungssequenzierung (FPS)
- Automatische Taktstellung (ACP)
- 2:N oder (1:n/2) x2 gemultiplexte Optionen
- 4-Draht-Seitenband-Schnittstelle
- 9 auswählbare SMBus-Adressen
- SMBus-Schreibschutz
- Ausgangsimpedanz von 85 Ω oder 100 Ω durch Pin-Strap-Einstellung
- Betrieb: -40 °C bis +105 °C, 3,3 V ±10 %
Applikationen
- Cloud/Hochleistungs-Computertechnik
- nVME-Speicher
- Netzwerke
- Beschleuniger
- Computer
- Industrial7
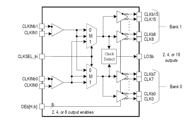
Blockdiagramm
Veröffentlichungsdatum: 2022-01-24
| Aktualisiert: 2022-03-11
