Renesas Electronics RC22504A & RC32504A FemtoClock® 2 Synthesizer
Die FemtoClock® 2-Synthesizer RC22504A und RC32504A von Renesas Electronics sind für die Platzierung in der Nähe eines PHYs, Switches, ASICs oder FPGAs vorgesehen, die mehrere Referenztakte mit einer Jitterleistung von weniger als 100 fs (max.) benötigen. Der RC22504A fungiert als Frequenzsynthesizer zur lokalen Erzeugung des Referenztaktes oder als DCO für Frequenzbegrenzungs- oder OTN-Taktgeber-Applikationen. Der RC32504A kann als Frequenzsynthesizer zur lokalen Erzeugung des Referenztakts, als Jitter-Dämpfer zur Durchführung einer lokalen Bereinigung und/oder Frequenzumsetzung einer zentral versorgten Referenz, als synchroner Ethernetanlagen-Taktgeber zur Durchführung einer Passband-Filterung und Bereinigung von Netzwerk-versorgte Referenzen oder als DCO für Frequenzbegrenzungs- oder OTN-Taktgeber-Applikationen fungieren. Diese Bauteile sind Teil der FemtoClock2-Hochleistungs-Produktfamilie von Renesas.Die RC22504A UND RC32504A FemtoClock 2 Synthesizer von Renesas Electronics werden in einem QFN-Gehäuse (Quad Flat No-Lead, QFN) mit einem freiliegenden Pad für eine verbesserte thermische Leistungsfähigkeit angeboten.
Merkmale
- RC32504A
- Jitter unter 100 fs RMS (10 kHz bis 20 MHz)
- Konform mit ITU-T G.8262 für synchrones Ethernet/OTN (EEC/OEC) und ITU-T G.8262.1 für verbessertes synchrones Ethernet/OTN
(eEEC/eOEC) - Der PLL-Core besteht aus einem fraktionierten Feedback-Analog-PLL (APLL), der optional von einem digitalen PLL (DPLL) gesteuert werden kann
- Wird mit einem Quarz von 25 MHz bis 80 MHz oder XO betrieben
- APLL-Frequenz unabhängig von der Eingangs-/Quarzfrequenz
- Wird als Frequenzsynthesizer, Jitter-Dämpfer, synchroner Anlagen-Slave-Taktgeber oder digital gesteuerter Oszillator (DCO) betrieben
- DPLL-Schleifenfilter programmierbar von 0,1 Hz bis 12 kHz
- DCO verfügt über eine Abstimmungs-Granularität von < 1 ppt
- Programmierbarer Eingangsbuffer unterstützt HCSL, LVDS oder zwei LVCMOS, ohne dass externe Anschlüsse erforderlich sind
- Eingangsfrequenzen: 1 MHz bis 800 MHz (250 MHz für LVCMOS)
- Referenzüberwachung qualifiziert/disqualifiziert den Eingangstaktgeber
- Programmierbarer Statusausgang
- 4 Differential-/8 LVCMOS-Ausgänge
- Alle Frequenzen von 10 MHz bis 1 GHz (180 MHz für LVCMOS)
- Programmierbarer Ausgangsbuffer unterstützt HCSL (DC-gekoppelt), LVDS/LVPECL/CML (AC-gekoppelt) oder zwei LVCMOS
- Die Differential-Ausgangsschwingung ist von 400 mV bis 800 mV wählbar
- Ausgangsfreigabeeingang mit programmierbarem Effekt
- Unterstützt einen seriellen I2C-Prozessoranschluss von bis zu 1 MHz oder einen seriellen SPI-Prozessoranschluss von bis zu 20 MHz
- Kann sich nach dem Reset automatisch über einen internen benutzerdefinierbaren programmierbaren One-Time-Speicher (OTP) mit bis zu vier verschiedenen Konfigurationen selbst konfigurieren
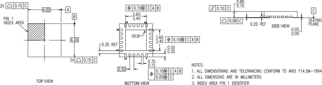
- QFN-24-Gehäuse von 4 mm x 4 mm
- RC22504A
- Jitter so niedrig wie 64 fs RMS (max.) (10 Hz bis 20 MHz)
- Der PLL-Core besteht aus einem analogen fraktionalen Feedback-PLL (APLL)
- Wird mit einem Quarz von 25 MHz bis 80 MHz oder XO betrieben
- APLL-Frequenz unabhängig von der Eingangs-/Quarzfrequenz
- Wird als Frequenzsynthesizer oder digital gesteuerter Oszillator (DCO) betrieben
- DCO verfügt über eine Abstimmungs-Granularität von < 1 ppb
- Programmierbarer Statusausgang
- 4 Differential-/8 LVCMOS-Ausgänge
- Alle Frequenzen von 10 MHz bis 1 GHz (180 MHz für LVCMOS)
- Programmierbarer Ausgangsbuffer unterstützt HCSL (DC-gekoppelt), LVDS/LVPECL/CML (AC-gekoppelt) oder zwei LVCMOS
- Die Differential-Ausgangsschwingung ist von 400 mV bis 800 mV wählbar
- Ausgangsfreigabeeingang mit programmierbarem Effekt
- Unterstützt einen seriellen I2C-Prozessoranschluss von bis zu 1 MHz oder einen seriellen SPI-Prozessoranschluss von bis zu 20 MHz
- Kann sich nach dem Reset automatisch über einen internen benutzerdefinierbaren programmierbaren One-Time-Speicher (OTP) mit bis zu vier
verschiedenen Konfigurationen selbst konfigurieren - QFN-24-Gehäuse von 4 mm x 4 mm
Applikationen
- RC32504A
- Synchrone Ethernet-/OTN-Anlage
- Referenztaktgeber für 100 GBit/s/400 GBit/s PHYs oder Schalter
- Einstellbare OTN-Taktreferenz für OTU3-/OTU4-Mapper
- Referenztaktgeber für programmierbare Glasfasermodule
- RC22504A
- Referenztaktgeber für 100 GBit/s/400 GBit/s PHYs oder Schalter
- Einstellbare OTN-Taktreferenz für OTU3-/OTU4-Mapper
- Referenztaktgeber für programmierbare Glasfasermodule
Datenblätter
Ressourcen
Blockdiagramme
Gehäuseabmessungen
Veröffentlichungsdatum: 2021-04-26
| Aktualisiert: 2022-03-11
