Renesas Electronics READ2302G Dual-Operationsverstärker
Renesas Electronics READ2302G Dual-Operationsverstärker bieten eine hohe Antriebsfähigkeit und eine hohe Anstiegsrate. Der READ2302G verfügt über eine minimale Betriebsversorgungsspannung von 2,5 V und einen großen Umgebungstemperaturbereich von -40 °C bis +105 °C. Die READ2302G Dual-Operationsverstärker von Renesas Electronics sind in einem extrem kleinen 8-Pin-TSSOP-Gehäuse verfügbar.Technische Daten
- Einzelversorgungsbetrieb mit niedriger Spannung VDD = 2,5 V bis 5,5 V
- Niedrige Eingangs-Offset-Spannung VIO ≤ ±6,0 mV
- Geringer Eingangs-Bias-Strom IB ≤ (1 pA)
- Großer Ausgangsspannungsbereich VOUT: VSS +0,1 V bis VDD -0,1 V (bei Io = 5 mA)
- Versorgungsstrom (pro Kanal) IDD = 0,75 mA (typisch)
- Hohe Anstiegsrate
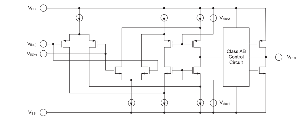
Ersatzschaltung
Pin-Anordnung
Veröffentlichungsdatum: 2020-09-18
| Aktualisiert: 2022-03-11
