Renesas Electronics RAA211650 Evaluierungsboard
Das RAA211650 Evaluierungsboard von Renesas Electronics dient zur Evaluierung des RAA211650 integrierten Synchron-Abwärtsreglers mit 60 V und 5 A. Der Regler hat eine einstellbare Schaltfrequenz von 200 kHz bis zu 2,5 MHz. Er unterstützt einen breiten Eingangsspannungsbereich von 4,5 V bis 60 V und eine einstellbare Ausgangsspannung. Der RAA211650 wird in einem 28Ld-QFN-Gehäuse angeboten. Das Evaluierungsboard arbeitet mit einer Versorgungsspannung von 4,5 V bis 60 V DC und hat die Fähigkeit, eine kontinuierliche Last von 5 A zu liefern.Merkmale
- Schalter-wählbare EN oder Option zur Ansteuerung durch ein externes Signal
- Interne und externe Kompensationsmöglichkeiten
- Interne und externe RT-Optionen
- Interne und externe Sanftanlauf-Optionen
- Optionen für Frequenzsynchronisation und Frequenzspreizung
- Anpassbare Verzögerungszeitoptionen
- Optionen zum Anschluss von E BIAS an V OUT oder zur Ansteuerung durch eine externe Quelle
- Ausgangsspannung programmierbar mit externen Rückkopplungswiderständen
- Optionen zur Verwendung interner Rückkopplungswiderstände für 3,3 V VOUT
- Steckverbinder und Testpunkte für eine einfache Untersuchung und Datenerfassung
Technische Daten
- Eingangsspannungsbereich: 4,5 V bis 60 V
- Ausgangsspannung: 3,3 V
- Ausgangsstrom von bis zu 5 A
- Intern eingestellte Schaltfrequenz von 500 kHz
- Interne Kompensation
- Interner Sanftanlauf von 2 ms
- Verzögerung beim Starten und Herunterfahren von 2 ms
- EBIAS ist mit VOUT verbunden
- Betriebstemperaturbereich von -40 °C bis +125 °C
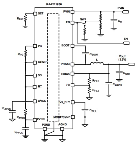
Blockdiagramm
Veröffentlichungsdatum: 2021-09-01
| Aktualisiert: 2023-04-28
