Renesas Electronics RV1S9x6xA Intelligente Leistungsmodulantriebe (IPM)

Renesas Electronics RV1S9x6xA intelligente Leistungsmodulantriebe (IPM) verwenden eine kleine PDD zur Reduzierung der Totzeit für hochpräzise Steuerungsapplikationen. Die RV1S9x6xA Antriebe implementieren eine hohe Rauschunterdrückung und ermöglichen einen SiC-MOSFET und einen Hochgeschwindigkeits-IGBT mit geringerem Leistungsschaltverlust. Die RV1S9x6xA IPM-Antriebe von Renesas sind mit Geräteverkleinerungen in einem LSSOP-Gehäuse kompatibel, das im Vergleich zu LSO5 einen um 35 % kleineren Bauraum bietet.

Merkmale

  • Max. 25 ns PDD
  • Maximale Umgebungsbetriebstemperatur: +125 °C
  • Ausgangstyp
    • Aktiv hoch (RV1S9x61A)
    • Aktiv niedrig (RV1S9x62A)
  • Hohe Rauschunterdrückung (CMR): 100 kV/us (min.)
  • Gehäuseanordnung
    • SO5 – Kriechstrecke von 4,2 mm
    • LSO5 – Kriechstrecke von 8 mm
    • LSSO5 – Kriechstrecke von 8,2 mm

Applikationen

  • Motorsteuerung für Industrieautomatisierung
    • AC-Servo
    • NC-Servo
    • Robotersteuerung
    • Wechselrichter
    • Solarwechselrichter

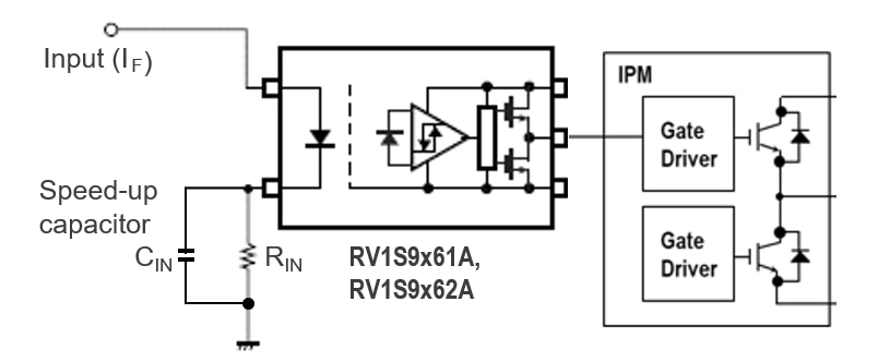
Funktionsdiagramm

Blockdiagramm - Renesas Electronics RV1S9x6xA Intelligente Leistungsmodulantriebe (IPM)
Veröffentlichungsdatum: 2022-06-07 | Aktualisiert: 2022-07-01