RFbeam K-LD2 Evaluation Kit
RFbeam K-LD2 Evaluation Kit is a fully operational movement detector. This kit visualizes the two digital outputs of the K-LD2 over LEDs. The K-LD2 evaluation kit features real-time streaming of ADC values and FFT spectrum. This kit includes powerful control panel software, reduces NRE, and unit conversion functions.Features
- Evaluation kit for the K-LD2 radar transceiver
- Powerful control panel software included
- Easy K-LD2 parameter setting over GUI
- Converted units for easy development
- Real-time streaming of ADC values and FFT spectrum
- Saves time to market and reduces NRE
Applications
- Internet of Things (IoT)
- Room surveillance
- Speed measurement
- Velocity measurement
- Street lighting
- Perimeter protection
- Intrusion
- Person detection
- Touchless switch
Kit Contents
- USB stick containing:
- Control panel software
- Prepared setting files for a fast development start
- Documentation
- K-LD2 sensor
- Evaluation kit PCB board
- FTDI USB cable
Control Panel
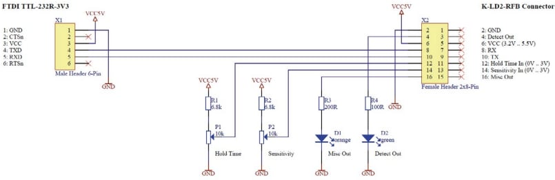
Schematic Diagram
Veröffentlichungsdatum: 2024-06-26
| Aktualisiert: 2024-08-20
