RFMi TRC103 Multi-Channel Low Power UHF RF Transceiver
RFMi TRC103 Multi-Channel Low Power UHF RF Transceiver is a single-chip transceiver designed for low-cost, high volume, two-way short-range wireless applications in the 863MHz to 870MHz, 902MHz to 928MHz, and 950MHz to 960MHz frequency bands. All critical-RF and baseband functions are integrated into the TRC103, minimizing the external component count and simplifying and speeding design-ins. A microcontroller, RF SAW filter, 12.8MHz crystal, and a few passive components create a complete, robust radio function. The TRC103 incorporates a set of low-power states to reduce the overall current consumption and extend battery life. Small size and low power consumption make the RFMi TRC103 Multi-Channel Low Power UHF RF Transceiver ideal for a wide variety of short-range radio applications.Features
- Modulation
- FSK or OOK with frequency hopping
- DTS spread spectrum
- Frequency ranges
- 863MHz to 870MHz
- 902MHz to 928MHz
- 950MHz to 960MHz
- -112dBm high sensitivity in circuit
- Up to 200kb/s data rate
- 3.3mA typical receiver current
- 0.1µA typical sleep current
- Up to +11dBm in-circuit transmit power
- 2.1V to 3.6V operating supply voltage range
- Programmable preamble
- Programmable packet start pattern
- Integrated RF, PLL, IF, and baseband circuitry
- Integrated data and clock recovery
- Programmable RF output power
- PLL lock output
- Transmit/receive FIFO size programmable up to 64 bytes
- Continuous, buffered, and packet data modes
- Packet address recognition
- Packet handling features
- Fixed or variable packet length
- Packet filtering
- Packet formatting
- Standard SPI interface
- TTL/CMOS compatible I/O pins
- Programmable clock output frequency
- Low-cost 12.8MHz crystal reference
- Integrated RSSI
- Integrated crystal oscillator
- Host processor interrupt pins
- Programmable data rate
- External wake-up event inputs
- Integrated DC-balanced data scrambling
- Integrated Manchester encoding/decoding
- Interrupt signal mapping function
- Support for multiple channels
- 4 power-saving modes
- Low external component count
- Small 32-pin QFN plastic package
Applications
- Active RFID tags
- Automated meter reading
- Home and industrial automation
- Security systems
- Two-way remote keyless entry
- Automobile immobilizers
- Sports performance monitoring
- Wireless toys
- Medical equipment
- Low power two-way telemetry systems
- Wireless mesh sensor networks
- Wireless modules
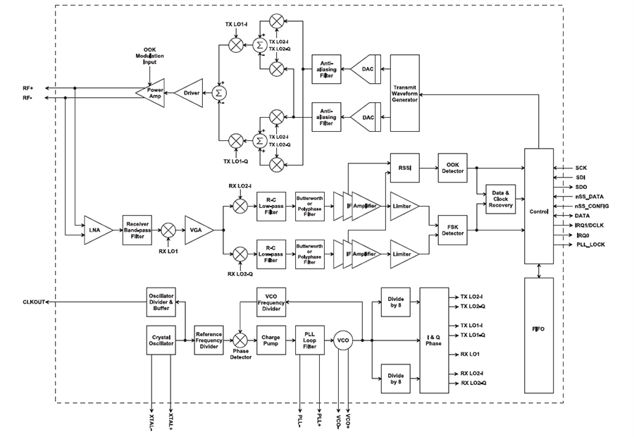
Block Diagram
Veröffentlichungsdatum: 2021-01-18
| Aktualisiert: 2022-03-11
