RFMi XTL Series Crystal
RFMi XTL Series Crystal is a surface-mount, ultra-miniature 2mm x 1.6mm crystal unit. The crystal features excellent reliability performance and good frequency perturbation and stability over a -40°C to +105°C operating temperature range. The XTL series offers a 96MHz nominal frequency rating and moisture sensitivity level (MSL) 1. The RFMi XTL Series Crystal is RoHS compliant and ideal for various wireless communication applications, including cellular phones, LTE, cellular BTS, Wi-Fi®, networking, and more.Features
- Surface-mount hermetic package
- Ultra-miniature crystal unit
- Excellent reliability performance
- Good frequency perturbation and stability
- MSL 1
- RoHS compliant
Applications
- Wireless communication devices
- Cellular phones/LTE
- Cellular BTS/repeaters
- Wi-Fi/networking
- Cable modems
- Digital set-top boxes
Specifications
- 96MHz nominal frequency rating
- -12ppm to 12ppm initial frequency tolerance
- -16ppm to 16ppm frequency perturbation
- 20Ω max ESR rating
- 1100Ω spurious mode series resistance
- 1mH motional inductance rating
- 1.2pF max shunt capacitance
- -40°C to +105°C operating/storage temperature range
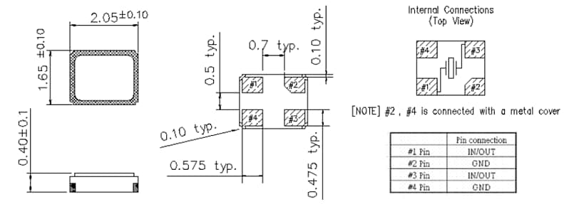
Dimensions (mm)
Equivalent Circuit
Additional Resources
Veröffentlichungsdatum: 2024-06-11
| Aktualisiert: 2024-07-31
