ROHM Semiconductor AC/DC-Wandler-ICs mit SiC-MOSFETs
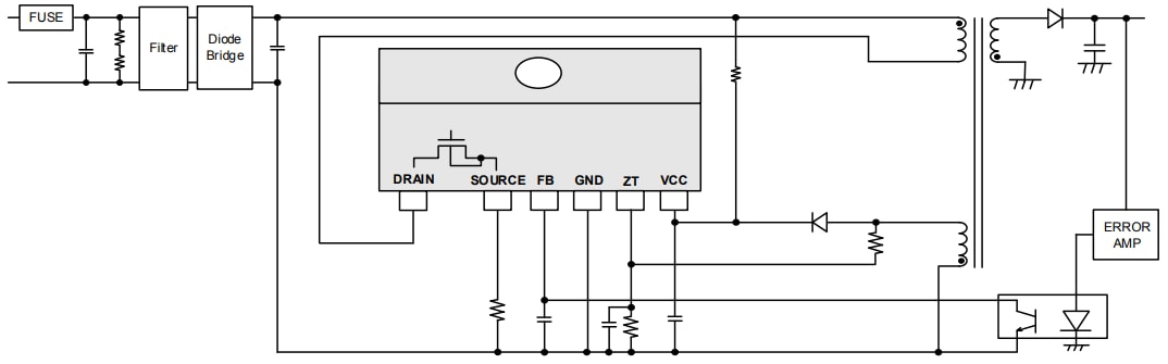
AC/DC-Wandler-ICs mit SiC-MOSFETs von ROHM Semiconductor sind quasi-resonante AC/DC-Wandler, die eine Weichschaltung und niedrige EMI ermöglichen. Diese Wandler verfügen über einen integrierten 1700 V und 4 A Siliziumkarbid-MOSFET. Die AC/DC-Wandler weisen einen geringen Stromverbrauch während des Standby- und Burst-Betriebs bei geringer Last auf. Diese Wandler verfügen über eine Unterspannungssperre (UVLO), einen Überspannungsschutz (OVP) und eine Überstromschutzschaltung pro Zyklus. Zu den typischen Applikationen gehört die Stromversorgung bei Industrieanlagen, AC-Adaptern und Haushaltsgeräten.ROHM Industrial
Merkmale
- Quasi-resonante AC/DC-Wandler
- Integriertes 1700 V/4 A/1,12 Ω (Typ) SiC-MOSFET
- Niedrige EMI
- Frequenzreduzierungsfunktion
- Burst-Betrieb bei geringer Last
- Überstromschutzschaltung pro Zyklus
- Überspannungsschutzfunktion
- VCC Überlastschutzfunktion
- VCC Unterspannungssperre-Schutz
- Soft-Start-Funktion
Applikationen
- Universal-Umrichter
- AC-Servos
- Speicherprogrammierbare Steuerungen (SPS)
- Stromversorgung für Industrieanlagen
- Haushaltsgeräte
- Fertigungsanlagen
- AC-Adapter
- Roboter
- Industriebeleuchtung
Technische Daten
- 19 µA geringer Stromverbrauch im Standby
- 2000 μA Normalbetriebsstrom (typisch)
- 500 µA Burst-Betriebsstrom (typisch)
- 120 kHz Betriebsfrequenz (typisch)
- Betriebs-Stromversorgungsspannungsbereich:
- 15 V bis 27,5 V (VCC)
- 1700 V (mindestens) DRAIN
- 6-poliges TO220-6m Gehäuse mit den Abmessungen 10 mm x 4,5 mm x 25,6 mm
Weitere Ressourcen
Blockdiagramm
Typisches Applikations-Schaltungs-Diagramm
Veröffentlichungsdatum: 2019-05-16
| Aktualisiert: 2024-01-23
