ROHM Semiconductor BD1693x Halbbrückentreiber
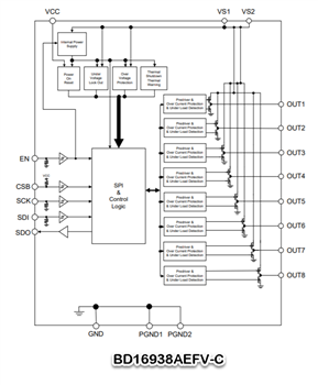
Die BD1693x Halbbrückentreiber von ROHM Semiconductor verfügen über eine SPI-Steuerung, eine dreifach-Modus -Ausgangssteuerung und einen niedrigen Standby-Strom für Automotive-Applikationen. Diese Treiber verfügen über eine integrierte Schutzdiode gegen Ausgangsrückspannung, Überspannungsschutz (OVP), Überstromschutz (OCP) und Unterlasterkennung. Die BD1693x-Treiber bieten eine Unterspannungsabschaltung (UVLO), eine thermische Abschaltung (TSD) und eine thermische Warnung (TW). Diese Halbbrückentreiber arbeiten im Versorgungsspannungsbereich von 6,3 V bis 32 V und im Temperaturbereich von -40 °C bis 125 °C. Die BD1693x-Treiber bieten einen maximalen Ausgangsstrom von 1 A, einen SDO-Ausgangsstrom von 5 mA und eine maximale Sperrschichttemperatur von 150°C. Diese Treiber sind mit 8 Kanälen und 6 Kanälen für Applikationen aus dem Automotive-Bereich erhältlich.Merkmale
- Dreifach-Modus-Ausgangssteuerung:
- Hohe, niedrige und hohe Impedanz
- Niedriger Standby-Strom
- Eingebaute Schutzdiode gegen Ausgangssperrspannung
- Überstromschutz (OCP) bei VS-Versorgungsstufe
- Unterlast-Erkennung (ULD) in der VS-Einspeisestufe
- Überspannungsschutz (OVP) mit OVDSEL-Modus in der VS-Versorgungsstufe
- Under Voltage Lock Out (UVLO) in der VS-Versorgungsstufe
- Thermische Abschaltung (TSD)
- Thermische Warnung (TW)
- BD16938AEFV-C:
- Halbbrücke 8 Schaltungen
- BD16939AEFV-C:
- Halbbrücke 6 Stromkreise
Technische Daten
- Versorgungsspannungsbereich: 6,3 V bis 32 V
- Betriebstemperaturbereich: -40 °C bis +125 °C
- Maximaler Ausgangsstrom: 1 A
- Versorgungsspannungsbereich: -0,3 V bis 40 V
- Maximale Sperrschichttemperatur: 150 °C
Applikationen
- Fahrzeugelektronik
- HLK (Heizung, Lüftung und Klimaanlage)
- Außenspiegel
Weitere Ressourcen
Veröffentlichungsdatum: 2021-02-16
| Aktualisiert: 2022-03-11
