ROHM Semiconductor BD2601xBFS 3-Phasen bürstenlose Lüftermotorsteuerungen
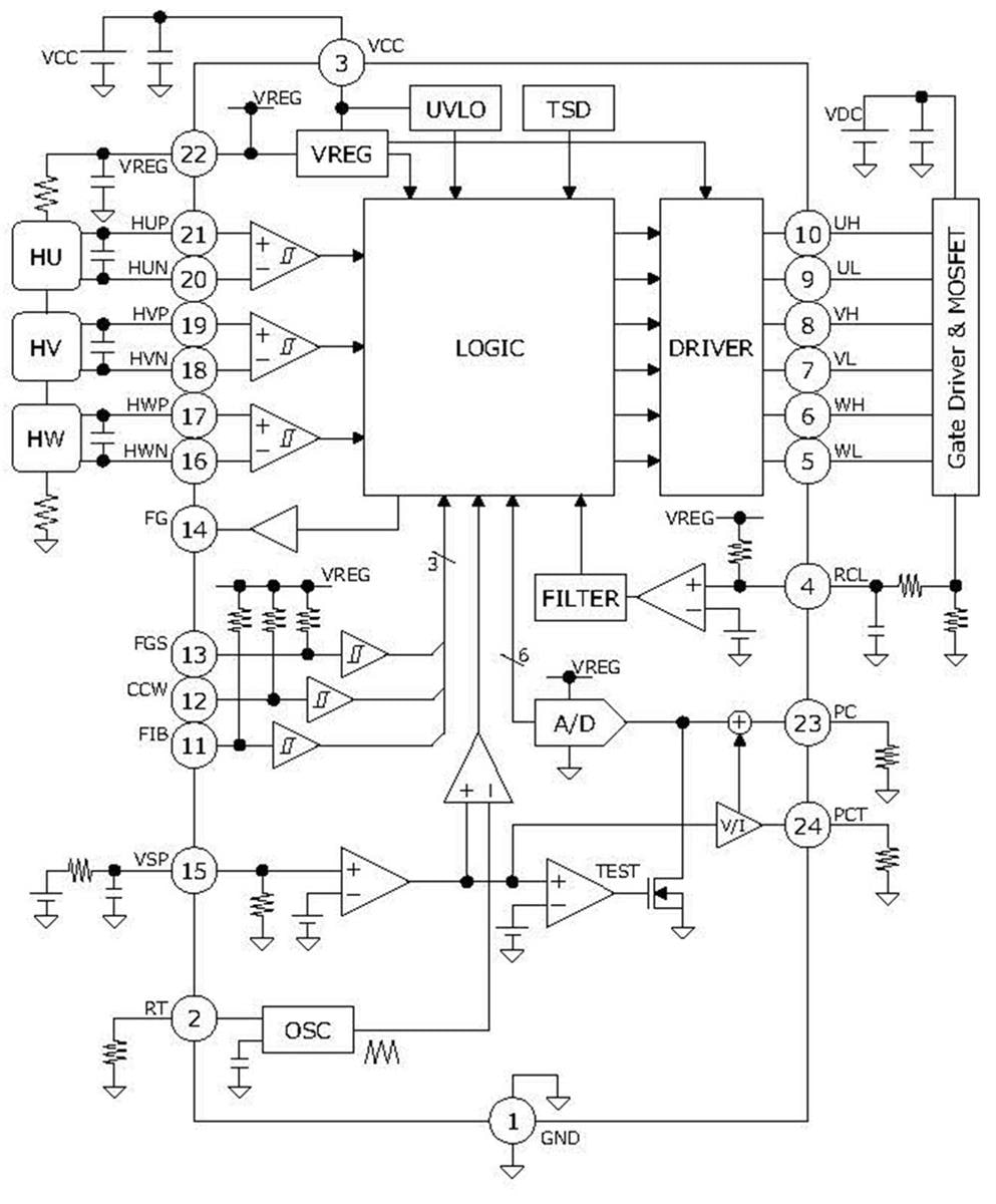
ROHM Semiconductor BD2601xBFS 3-Phasen bürstenlose Lüftermotorsteuerungen erzeugen einen Ansteuerungssignal von Hall-Sensor-Eingängen. Die ROHM Semiconductor BD2601xBFS sendet dieses Signal dann zur Steuerung des externen Leistungstransistors. Durch die Kompatibilität der Pins mit BD62018BFS ist sie leicht zu ersetzen. Diese Steuerung gewährleistet einen optimalen Motorantrieb für verschiedene Applikationen und erleichtert die Standardisierung von Motoreinheiten.Merkmale
- BD62012BFS
- 150 ° Kommutierungs-Logikschaltung
- PWM Steuerung (obere ARM-Schaltung)
- BD62018BFS
- 180 ° sinusförmige Kommutierungs-Logikschaltung
- PWM-Steuerung (obere und untere ARM-Schaltung)
- Phasensteuerung unterstützt von 0 ° bis +30 ° in 1 ° Intervallen
- Drehrichtungsschalter Schalter
- FG Signalausgang mit Pulsnummer-Schalter (4 oder 12)
- VREG Ausgang (5 V/30 mA)
- OCP, TSD, UVLO, MLP und externe Fehler-Eingangsschutzschaltungen sind bereitgestellt
Applikationen
- Klimaanlagen
- Luftreiniger
- Wasserpumpen
- Geschirrspülmaschinen
- Waschmaschinen
Datenblätter
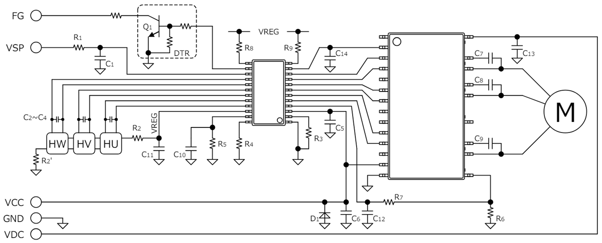
Typische Applikationsschaltung
Blockdiagramm
Veröffentlichungsdatum: 2024-05-30
| Aktualisiert: 2024-06-06
