ROHM Semiconductor BD6787xMWV-Z bürstenlose DC-Motor Gate-Treiber
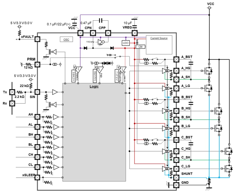
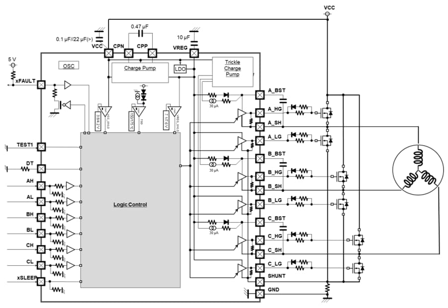
ROHM Semiconductor BD6787xMWV-Z bürstenlose DC-Motor-Gate-Treiber sind für dreiphasige bürstenlose DC-Motor-Applikationen vorgesehen. Diese ICs von ROHM Semiconductor steuern drei Halbbrücken, die jeweils aus sechs Leistungs-MOSFETs mit N-Kanal bis zu 60 V bestehen. Der BD67870MWV-Z verfügt über einen 6x PWM-Modus, während der BD67872MWV-Z über einen 3x PWM-Modus verfügt. Der BD67871MWV-Z verfügt über einen innovativen aktiven Gate-Antrieb (TriC3™), der EMI unterdrückt und die Wärmeerzeugung in MOSFET-Leistungsbauteile reduziert, die in Motorantriebssystemen verwendet werden. TriC3 erreicht diese Funktionen, indem es verschiedene Spannungen um das MOSFET-Gerät überwacht und diese Spannungsinformationen nutzt, um den Gate-Antriebsstrom des MOSFET-Geräts intelligent zu steuern.Merkmale
- Breiter Eingangsspannungsbereich von 4,5 V bis 60 V
- Bootstrap-Gate-Treiber mit Stromquellenschaltung für einen Tastverhältnisbetrieb von 100 % und hochohmigen (HiZ) Zustand mit einer Erhaltungsladung.
- Thermische Abschaltung, Eingangs-VCC und Gate-Treiber VREG UVLO-Schutz
- Super niedriger IVCCQ (<1 µa="" im="">1>
- Durch einen externen Widerstand einstellbare Totzeit von 10 ns bis 3.000 ns
- 6x- (BD67870MWV-Z) oder 3x- (BD67872MWV-Z) PWM-Modus (Eingangslogik)
Applikationen
- Dreiphasige, bürstenlose DC-Motoren
- Permanentmagnet-Synchronmotoren
- Elektrowerkzeuge
- E-Bikes, Mobilität
Technische Daten
- Gate-Treiberstärke (Quelle)
- BD67870MWV-Z und BD67872MWV-Z: mit einer Nennleistung von 0,5 A (typisch)
- BD67871MWV-Z: mit einer Nennleistung von 0,7 A (typisch)
- 4,5 V bis 60 V VCC Bereich
- 1 A (typische) Gate-Treiberstärke (Ableitvorrichtung)
- 3,8 V (typisch) UVLO-Erkennungsspannung VCC
- +150 °C maximale Sperrschichttemperatur
Videos
BD67870/BD67872 Blockdiagramm
BD67871 Blockdiagramm
Veröffentlichungsdatum: 2025-10-08
| Aktualisiert: 2026-01-19
