ROHM Semiconductor BD9P-Baureihe Einzel-DC/DC-Abwärtswandler mit 2,2 MHz
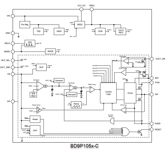
ROHM Semiconductor BD9P-Baureihe Einzelne 2,2-MHz-DC/DC-Abwärtswandler sind synchrone Strommodus-DC/DC-Abwärtswandler, die Leistungs-MOSFETs enthalten. Diese Wandler verfügen über einen Schutz gegen eine Eingangs-Unterspannungssperre (UVLO), thermische Abschaltung (TSD), Ausgangs-Überspannung und gegen einen Kurzschluss. Die DC-DC-Abwärtswandler der BD9P1x-C-Baureihe bieten eine wählbare Frequenzspreizungsschaltung und eine externe Synchronisierungsfunktion. Diese DC/DC-Wandler werden in einem Versorgungsspannungsbereich von 3,5 V bis 40 V und einem Temperaturbereich von -40°C bis +125°C betrieben. Die BD9P Wandler von ROHM Semiconductor eignen sich für Fahrzeug- und Verbrauchernetzteile.Merkmale
- Nano Pulse Control™
- AEC-Q100-qualifiziert
- Minimum bei Impuls 50 ns(max.)
- Synchroner DC/DC-Abwärtswandler, der Leistungs-MOSFETs integriert
- Sanftanlauf-Funktion
- Strommodussteuerung
- Reset-Funktion
- Ruhestrom 10 μA(typ.) mit 12 V Eingang zu 5 V Ausgang
- Leichtlastmodus (LLM)
- Erzwungener Pulsweitenmodulations-Modus (PWM)
- Phasenkompensation enthalten
- Wählbare Frequenzspreizungsschaltung
- Externe Synchronisierungsfunktion
- Wählbarer Überstromschutz (OCP)
- Eingangs-Unterspannungssperrschutz (UVLO)
- Übertemperaturschutz (TSD)
- Ausgangs-Überspannungsschutz (OVP)
- Kurzschluss-Sicherung (SCP)
Technische Daten
- 3,5 V bis 40 V Versorgungsspannungsbereich
- -40 °C bis +125 °C Betriebstemperaturbereich
- 2,2 MHz Schaltfrequenz
Applikationen
- Kraftfahrzeugbetriebenes Zubehör
- Netzteile für Unterhaltungselektronik
Applikationen
Videos
Veröffentlichungsdatum: 2021-01-04
| Aktualisiert: 2024-10-29
