ROHM Semiconductor BH76360FV Video Driver

ROHM Semiconductor BH76360FV Video Driver is a video signal switching IC. The BH76360FV Video Driver features six inputs and one circuit input offering a wide dynamic range and frequency response. Since the BH76360FV can be used with low voltage starting at VCC=2.8V, it is ideal for low-powered mobile devices.

The ROHM Semiconductor BH76360FV Video Driver supports a broad range of input signals, depending on whether or not a 6dB video amplifier and video driver is included and what combination of sync tip clamp type and bias (resistor termination) type inputs are used.

Features

  • Low input voltage requirement
  • Wide output dynamic range
  • Excellent 100kHz to 10MHz 0dB frequency response
  • No crosstalk between channels (-65dB, f=4.43MHz typical)
  • Built-in standby function, circuit current during standby is 0μA
  • Sync tip clamp input
  • Integrated 6dB amp and 75Ω driver
  • Enables two load drivers when using an output coupling capacitor
  • Able to be used without output coupling capacitor

Specifications

  • 2.8V to 5.5V supply voltage range
  • 12mA operating supply current
  • -40°C to +85°C operating temperature range
  • 6 inputs
  • Clamp input type
  • 1 output

Applications

  • Automotive infotainment
  • Navigation
  • Industrial machine vision camera

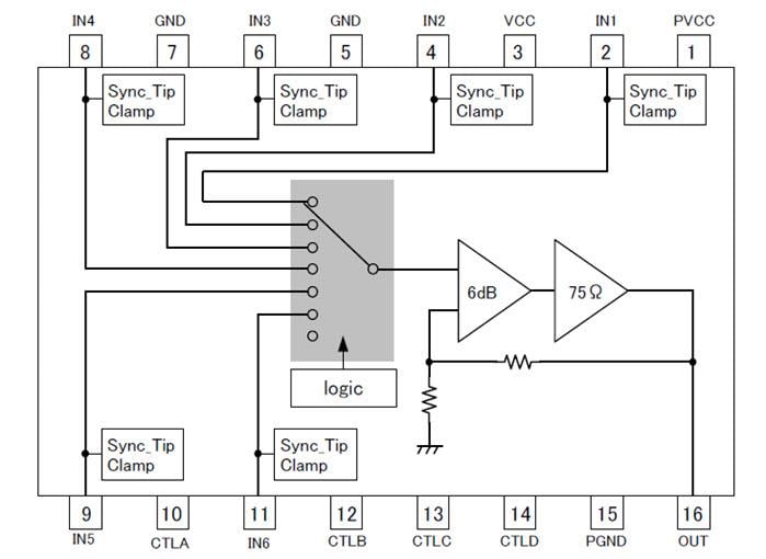
Block Diagram

Block Diagram - ROHM Semiconductor BH76360FV Video Driver
Veröffentlichungsdatum: 2017-02-21 | Aktualisiert: 2022-06-16