ROHM Semiconductor BM1Q0xAFJ-LBE2 Quasi-Resonanz-DC/DC-Wandler-ICs
ROHM Semiconductor BM1Q0xAFJ-LBE2 Quasi-Resonanz-DC/DC-Wandler-ICs bieten langjährige Unterstützung für Industrieapplikationen und optimale Systeme für Steckdosen. Diese ICs verfügen über eine eingebaute Starterschaltung, die 650 V toleriert und zu einem niedrigen Standby-Stromverbrauch und einem schnellen Start beiträgt. Wenn die ICs leicht belastet sind, wird die Standby-Leistung aufgrund des eingebauten Burst-Betriebsfunktion und dem geringeren Stromverbrauch der ICs reduziert. Die BM1Q0xAFJ-LBE2 Wechselrichter-ICs verfügen über integrierte Schutzfunktionen wie Soft-Start-Funktion, Überstromschutz pro Zyklus, Überspannungsschutz, Überlastschutz und Schutz bei offenem CS-Pin. Typische Applikationen sind industrielle Ausrüstungen, Klimaanlagen, AC-Adapters, und TVS.Merkmale
- Langjährige Produktunterstützung für Industrieapplikationen
- Quasi-resonantes System
- Eingebaute 650 V tolerierende Starterschaltung
- Burst-Betrieb bei leichter Last/Frequenzreduzierungsfunktion
- 120 kHz maximale Frequenz
- Schaltung zur Korrektur der AC-Eingangsspannung
- VCC -Pin-Unterspannungsschutz
- VCC-Pin -Überspannungsschutz
- Überstromschutzschaltung pro Zyklus
- Ausgangstreiber 12 V Klemmen-Schaltung
- Soft-Start-Funktion
- ZT-Pin-Triggermaskenfunktion
- ZT-Pin-Überspannungsschutz
- Überlastschutz am Ausgang (automatischer Neustart)
- Schutzschaltkreis für offenes CS-Pin (automatischer Neustart)
Technische Daten
- Betriebsspannungsbereich der Stromversorgung:
- 8,9 V bis 26 V VCC
- -0,3 V bis 650 V VH
- 600 μA typischer Strom bei Schaltbetrieb
- 350 μA typischer Strom bei Burst-Betrieb
- -40 °C bis 105 °C Betriebstemperaturbereich
- 4,9 mm x 6 mm x 1,65 mm Größe
- SOP-J7S-Gehäuse
Applikationen
- Industrie-Ausstattung
- Klimaanlagen
- AC-Adapter
- TVS
Typisches Applikationskreislauf-Diagramm
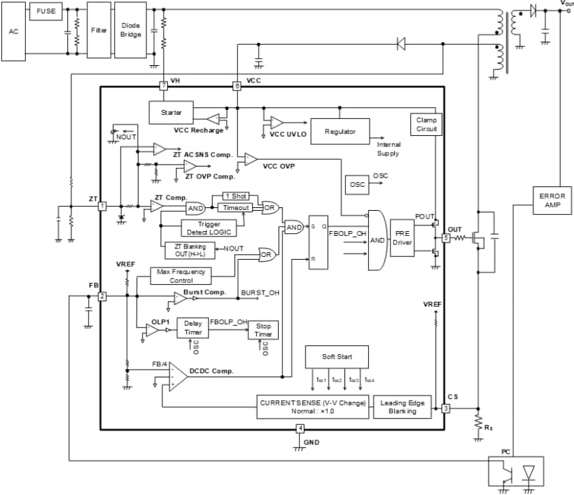
Blockdiagramm
Applikations-Schaltschemadiagramm
Veröffentlichungsdatum: 2024-05-24
| Aktualisiert: 2024-06-12
