ROHM Semiconductor BM2P095F DC/DC-Wandler Typ PWM
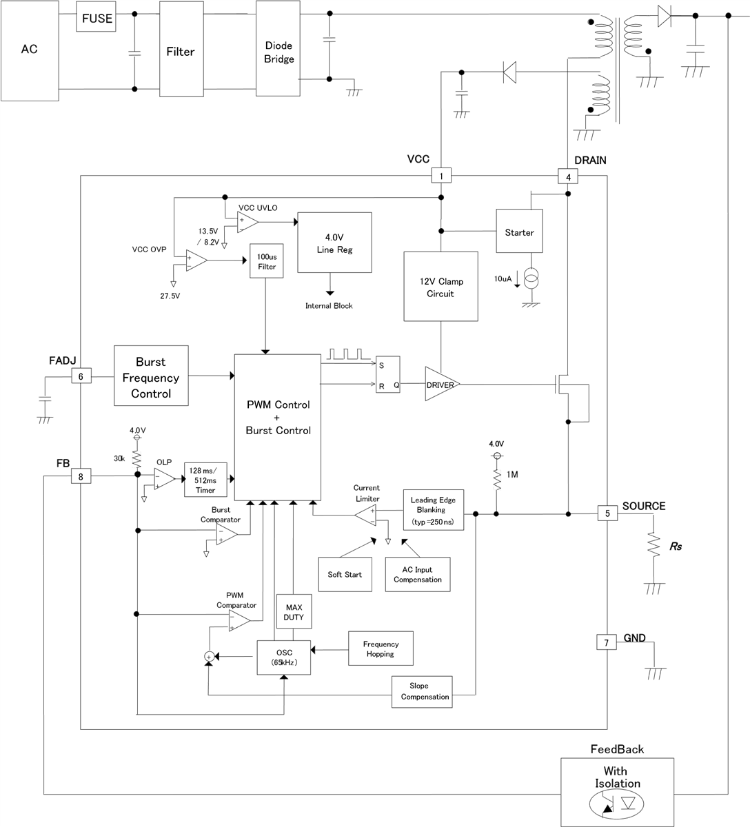
Der BM2P095F PWM-DC/DC-Wandler von ROHM Semiconductor verfügt über einen eingebauten 650-V-Schalt-MOSFET und eine 650-V-Starterschaltung für geringen Stromverbrauch. Dieser Wandler unterstützt sowohl isolierte als auch nicht isolierte Geräte und ermöglicht die einfachere Entwicklung verschiedener Arten von elektrischen Wandlern mit geringem Stromverbrauch. Der Konverter BM2P095F bietet ein optimales System für alle Produkte, die über einen elektrischen Ausgang verfügen. Dieser Wandler bietet einen Unterbrechungsschutz, einen Kurzschlussschutz, einen Überstromschutz pro Zyklus, einen Softstart und einen sekundären Überstromschutz. Der BM2P095F-Wandler arbeitet mit einem Temperaturbereich von -40 °C bis 105 °C, 0,50 mA Normalstrom, 0,30 mA Burststrom und 65 kHz Oszillationsfrequenz. Typische Applikationen sind Staubsauger, Luftbefeuchter, Luftreiniger, Klimageräte, IH-Kochherde und Reiskocher.Merkmale
- PWM-Stromregelung
- Burst-Betrieb bei geringer Last
- Frequenzreduzierungsfunktion
- VCC-Pin-Unterspannungsschutz
- VCC Pin-Überspannungsschutz
- QUELLE Pin-offen-Schutz
- QUELLE Pin-Kurzschlussschutz
- QUELLE Kontakt - Vorder Kanten-Austastung Funktion
- Pro-Zyklus-Überstromschutzschaltung
- Soft-Start
- Sekundäre Überstromschutzschaltung
Technische Daten
- Betriebstemperaturbereich: -40 °C bis +105 °C
- Normaler Betriebsstrom: 0,50 mA
- 0,30 mA Burst-Betriebsstrom
- PWM-Frequenz: 65 kHz
- Verlustleistung: 0,56 W
Applikationen
- Haushaltsgeräte:
- Staubsauger
- Luftbefeuchter
- Luftfilter
- Klimaanlagen
- IH-Kochherde
- Reiskocher
- AC-Adapter
Applikations-Schaltung
Blockdiagramm
Veröffentlichungsdatum: 2021-02-16
| Aktualisiert: 2022-03-11
