ROHM Semiconductor BM61M41RFV-EVK002 Evaluierungsboard
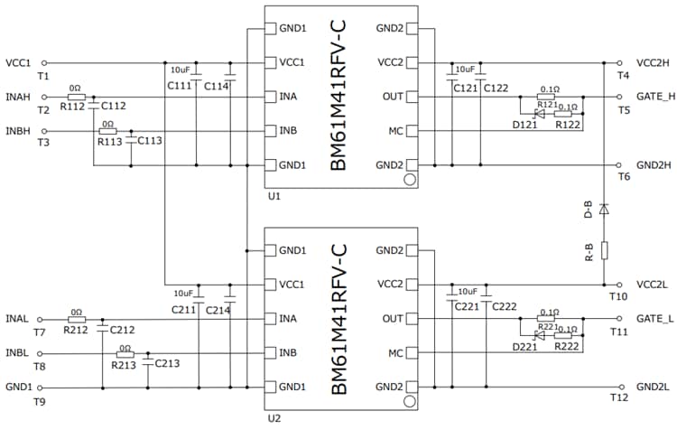
Das Evaluierungsboard BM61M41RFV-EVK002 von ROHM Semiconductor steuert zwei MOSFET-Leistungsbauteile an und ist zur Evaluierung eines Treibers vom Typ BM61M41RFV-C ausgelegt. Der BM61M41RFV-C IC ist ein Gate-Treiber mit einer Isolationsspannung von 3.750 Vrms. Dieser IC verfügt über eine Unterspannungssperre (UVLO) zum Schutz der Stromversorgung und eine aktive Miller-Klemme für die Gate-Steuerung. Das Evaluierungsboard BM61M41RFV-EVK002 von ROHM Semiconductor bietet eine eingangsseitige Stromversorgung von 4,5 V bis 5,5 V und eine ausgangsseitige Stromversorgung von 9 V bis 24 V. Dieses Evaluierungsboard bietet eine Evaluierung der Gate-Treiber-Produktfamilie für verschiedene Applikationen.Merkmale
- Eingangsseitige Stromversorgungsspannung: 4,5 V bis 5,5 V
- Ausgangsseitige Stromversorgungsspannung: 9 V bis 24 V
- Aktive Miller-Klemmung für die Gate-Steuerung
- Unterspannungssperre (UVLO) an der Eingangs- und Ausgangsseite
Maßbild
Schaltplan
Weitere Ressourcen
Veröffentlichungsdatum: 2020-02-18
| Aktualisiert: 2024-09-24
