ROHM Semiconductor BM81810MUV-M Automotive-Panel-Leistungsmanagement-IC
Der BM81810MUV-M Automotive-Panel-Leistungsmanagement-IC (PMIC) von ROHM Semiconductor ist für Display-Panels, die in Fahrzeugnavigation, Fahrzeug-Mittelkonsolen und Kombiinstrumenten verwendet werden, optimiert. Der BM81810MUV-M enthält einen VCOM-Verstärker und eine Gate-Puls-Modulation (GPM) sowie die Stromversorgung für den Panel-Treiber (SOURCE-, GATE- und LOGIC-Stromversorgung). Dieses Bauteil enthält auch ein EEPROM für die Speicherung von Sequenz- und Ausgangsspannungseinstellungen. Der BM81810MUV-M verfügt über Schaltungen zum Schutz vor Unterspannung, thermischer Abschaltung, Überstromschutz, Überspannungsschutz und Unterspannungsschutz.Der PMIC BM81810MUV-M von ROHM Semiconductor ist in einem VQFN32SV5050-Gehäuse erhältlich und ist nach AEC-Q100 für den Einsatz in Automotive-Applikationen qualifiziert.
Merkmale
- AEC-Q100-qualifiziert (Klasse 2)
- Alternativer synchroner DC/DC-Abwärtswandler oder LDO für VDD-Ausgang
- Synchroner DC/DC-Aufwärtswandler für AVDD-Ausgang mit integriertem Lastschalter
- AVDD-Ausgangsspannungsgenauigkeit: ±2 %
- VCOM-Verstärker mit 7-Bit-Kalibrator
- Positive Ladungspumpe (integrierte diode, x2/x3) für VGH-Ausgang
- Negative Ladungspumpe für VGL-Ausgang
- VGH- und VCOM-Temperaturkompensation
- Gate-Impulsmodulation (GPM)
- I2C Schnittstelle zur Steuerung der Ausgangsspannung mit integriertem EEPROM
- Schaltfrequenz-Umschaltfunktion (525 KHz, 1,05 MHz, 2,1 MHz)
- Schutzschaltungen
- Unterspannungssperre
- Thermische Abschaltung
- Überstromschutz
- Überspannungsschutz
- Unterspannungsschutz (Timer-Verriegelung)
- Eingangstoleranz (SCL, SDA, EN, WPN)
- Betriebstemperaturbereich: -40 °C bis +105 °C
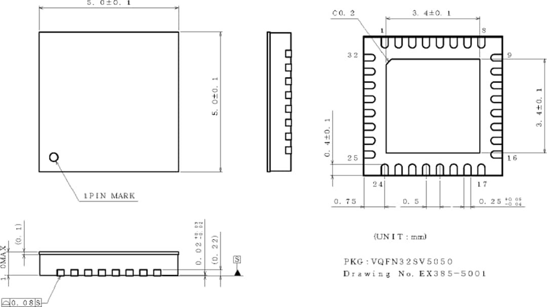
- VQFN32SV5050-Gehäuse von 5,0 mm x 5,0 mm x 1,0 mm
Applikationen
- Anzeigetafeln
- Fahrzeugnavigation
- Mittelpaneel im Fahrzeug
- Kombiinstrumente
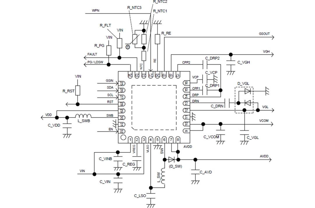
Typische Applikations-Schaltung
Gehäuseabmessungen
Veröffentlichungsdatum: 2021-03-15
| Aktualisiert: 2022-03-11
