ROHM Semiconductor RB-D62Q1325MB16 Referenzboard
Das Referenzboard RB-D62Q1325MB16 von ROHM Semiconductor wurde entwickelt, um die Fähigkeiten des LAPIS ML62Q1325, eines 16-Bit RISC CMOS-Mikrocontrollers, der für Anwendungen mit geringem Stromverbrauch und hoher Leistung optimiert ist, zu präsentieren. Dieses Referenzboard bietet Entwicklern eine vielseitige Plattform für Prototypen von Embedded-Systemen, die eine effiziente Verarbeitung und Echtzeitsteuerung erfordern. Das mittels ML62Q1325 betriebene Board verfügt über einen internen Flash-Speicher und RAM und bietet die Option für einen externen Speicher, womit es für eine ganze Reihe von Anwendungen geeignet ist. Es unterstützt verschiedene E/A-Schnittstellen, darunter Analog-Digital-Wandler (ADC), Timer und gängige Kommunikationsprotokolle, wie UART, SPI und I2C, die eine nahtlose Integration mit Sensoren, Aktuatoren und anderen Peripheriegeräten ermöglichen.Mit seinem geringen Stromverbrauch ist das Board RB-D62Q1325MB16 von ROHM Semiconductor ideal für batteriebetriebene und energieeffiziente Designs, während seine Echtzeitverarbeitungsfähigkeiten schnelle Reaktionszeiten bei zeitkritischen Aufgaben gewährleisten. Der kompakte Formfaktor mach das Board RB-D62Q1325MB16 in Verbindung mit Entwicklungswerkzeugen und Softwareunterstützung zu einer hervorragenden Lösung für Prototyping-Anwendungen in den Bereichen industrielle Steuerung, Unterhaltungselektronik und Automobilsysteme.
Merkmale
- LAPIS CMOS 16-bit-RISC-MCU ML62Q1325 mit 16 Pins und SSOP-Gehäuse im Lieferumfang inbegriffen
- Montiert mit dem verknüpften Anschluss an EASE1000
- Durchgangsbohrungen für den Anschluss der LSI-Pins an externe Peripheriekarten
- Die einstellbare Stromversorgung wird über den On-Chip-Emulator EASE1000 oder CN1_3-polig/CN2_2-polig versorgt.
- Montierte LED (P20, P21, P22)
- Niedriger Stromverbrauch
- Echtzeitverarbeitung
- Betriebsstromversorgung: 1,6 V zu 5,5 V
- Kompakter Formfaktor, Größe: 56 mm x 94 mm x 15 mm (BxTxH)
Applikationen
- Industrieautomatisierung
- Unterhaltungselektronik
- Sensornetzwerke
- Automobilsysteme
Übersicht
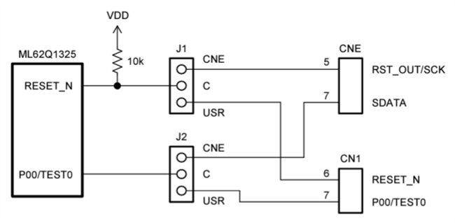
Stromkreis
EASE1000-Schnittstelle
PCB-Layout
Veröffentlichungsdatum: 2024-12-23
| Aktualisiert: 2024-12-30
