ROHM Semiconductor RB-D62Q1542TB52 Referenzboard
Das Referenzboard RB-D62Q1542TB52 von ROHM Semiconductor ist eine Entwicklungsplattform, die dazu dient, die Fähigkeiten des LAPIS CMOS 16-bit-RISC-Mikrocontrollers ML62Q1542 zu präsentieren und zu nutzen. Dieses auf Effizienz und Vielseitigkeit ausgelegte Board erleichtert die Evaluierung und Entwicklung von Embedded-Anwendungen in Bereichen wie Heimautomatisierung, industrielle Steuerung, Unterhaltungselektronik und Internet der Dinge (IoT). Die MCU ML62Q1542 verfügt über eine robuste 16-Bit-RISC-Architektur, einen niedrigen Stromverbrauch und eine umfangreiche Peripherie, darunter Timer, Kommunikationsschnittstellen und Analog-Digital-Wandler (ADCs).Das Board RB-D62Q1542TB52 von ROHM Semiconductor unterstützt fortschrittliche Entwicklungswerkzeuge wie die integrierte Entwicklungsumgebung LEXIDE-U16 und den On-Chip-Emulator EASE1000 V2 für nahtloses Debugging und Programmierung. Mit seinem kompakten TQFP-Gehäuse mit 52 Pins bietet das Bauelement RB-D62Q1542TB52 Entwicklern eine praktische und effiziente Lösung für das Prototyping und die Weiterentwicklung innovativer Embedded-Systeme.
Merkmale
- LAPIS CMOS 16-bit-RISC-MCU ML62Q1542 mit 52 Pins und TQFP-Gehäuse im Lieferumfang inbegriffen
- Montiert mit dem verknüpften Anschluss an EASE1000
- Durchgangsbohrungen für den Anschluss der LSI-Pins an externe Peripheriekarten
- Die einstellbare Stromversorgung wird über den On-Chip-Emulator EASE1000 oder CN1_3-polig/CN2_2-polig versorgt.
- Montierte LED (P20, P21, P22)
- Eingebauter 32,768 kHz Quarz
- Niedriger Stromverbrauch
- Interner Flash-Speicher und RAM
- Flexible E/A- und Kommunikationsschnittstellen
- Echtzeitverarbeitung
- Betriebsspannungsbereich von 1,6 V bis 5,5 V
- Kompakter Formfaktor, Größe: 56 mm x 94 mm x 15 mm (BxTxH)
Applikationen
- Haushaltsgeräte
- Industrieautomatisierung
- Unterhaltungselektronik
- Gesundheitswesen und medizinische Geräte
- Internet der Dinge (IoT) und intelligente Geräte
- Automobil-Applikationen
- Embedded-Systeme
Übersicht
Stromkreis
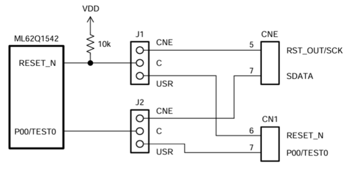
EASE1000-Schnittstelle
PCB-Layout
Veröffentlichungsdatum: 2024-12-27
| Aktualisiert: 2024-12-31
