ROHM Semiconductor RB-D62Q1712TB52 Referenzboard
Das ROHM Semiconductor RB-D62Q1712TB52 Referenzboard mit dem LAPIS ML62Q1712 CMOS-16-Bit-RISC-MCU ist eine vielseitige und energieeffiziente Plattform, die zur Unterstützung einer großen Auswahl von Embedded-Applikationen ausgelegt ist. Das Referenzboard wird vom ML62Q1712 MCU betrieben, der eine 16-Bit-RISC-Architektur bietet, bietet ein perfektes Leistungsausgleich und einen geringen Stromverbrauch, wodurch es sich hervorragend für batteriebetriebene und kompakte Bauteile eignet. Das Bauteil enthält eine wesentliche Peripherie, wie z. B. ADC-, UART-, SPI- und I2C-Schnittstellen und ermöglicht eine flexible Konnektivität und präzise Steuerung über verschiedene Systeme.Das RB-D62Q1712TB52 Board von ROHM Semiconductor eignet sich hervorragend für Applikationen in Smart-Home-Systemen, Industrieautomatisierung, IoT-Geräten, Automobilelektronik und tragbaren Elektronikgeräten. Sein Wirkungsgrad und sein kompaktes Design machen es zu einer ausgezeichneten Wahl für Entwickler, die zuverlässige, kostengünstige Embedded Lösungen mit hoher Leistungsfähigkeit erstellen möchten.
Merkmale
- Wird mit dem LAPIS ML62Q1712 CMOS 16-Bit-RISC-MCU, 52-Pin-TQFP geliefert
- Montiert mit dem verbundenen Steckverbinder zum EASE1000
- Durchsteckmontage für den Anschluss der Pins von LSI an externe Peripherie-Boards
- Wählbare Stromversorgung, die vom On-Chip-Emulator EASE1000 oder CN1_3pin/CN2_2pin versorgt wird
- Montierte LED (P20, P21, P22)
- Montierter 32.768KHz-Quarz
- Geringer Stromverbrauch
- Interner Flash-Speicher und RAM
- Flexible I/O- und Kommunikationsschnittstellen
- Echtzeitverarbeitung
- Betriebsversorgungsbereich: 1,6 V bis 5,5 V
- Kompakter Formfaktor, Abmessungen: 56 mm x 94 mm x 15 mm (B x T x H)
Applikationen
- Smart Home-Systeme
- Industrieautomatisierung
- Internet of Things (IoT) und drahtlose Konnektivität
- Fahrzeugelektronik
- Tragbare und batteriebetriebene Geräte
- Embedded-Systeme
Übersicht
Leistungsschaltung
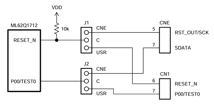
EASE1000 Schnittstelle
PCB-Layout
Veröffentlichungsdatum: 2024-12-27
| Aktualisiert: 2025-01-06
