ROHM Semiconductor RB-D62Q1714TB52 Referenzboard
Das ROHM Semiconductor RB-D62Q1714TB52 Referenzboard wird vom LAPIS ML62Q1714 16-Bit-CMOS-RISC-MCU angetrieben. Es ist eine vielseitige und energieeffiziente Plattform, die für eine große Auswahl von Embedded-Applikationen ausgelegt ist. Dieses Referenzboard verfügt über eine stromsparende 16-Bit-RISC-Architektur und eignet sich hervorragend für batteriebetriebene und kompakte Bauteile, die eine hohe Zuverlässigkeit und Leistungsfähigkeit erfordern. Der ML62Q1714 MCU enthält die wichtigste Peripherie, wie z. B. ADC, UART, SPI und I2C und bietet Flexibilität für die Verbindung mit Sensoren, Aktoren und Kommunikationsmodulen.Das RB-D62Q1714TB52 Board von ROHM Semiconductor eignet sich besonders für Applikationen in der Smart-Home-Automatisierung, Industrie-/Fabrikautomatisierung, Internet of Things(IoT)-Geräte, Automotive-Subsysteme und tragbare medizinische Geräte. Das kompakte Design, der geringe Stromverbrauch und der robuste Funktionssatz machen es zu einer ausgezeichneten Wahl für Entwickler, die Prototypen und effiziente, kostengünstige Embedded-Lösungen implementieren möchten.
Merkmale
- Wird mit dem LAPIS ML62Q1714 CMOS 16-Bit-RISC-MCU, 52-Pin-TQFP geliefert
- Montiert mit dem verbundenen Steckverbinder zum EASE1000
- Durchsteckmontage für den Anschluss der Pins von LSI an externe Peripherie-Boards
- Wählbare Stromversorgung, die vom On-Chip-Emulator EASE1000 oder CN1_3pin/CN2_2pin versorgt wird
- Montierte LEDs (P20, P21, P22)
- Montierter 32.768KHz-Quarz
- Geringer Stromverbrauch
- Interner Flash-Speicher und RAM
- Flexible I/O- und Kommunikationsschnittstellen
- Echtzeitverarbeitung
- Betriebsversorgungsbereich: 1,6 V bis 5,5 V
- Kompakter Formfaktor, Abmessungen: 56 mm x 94 mm x 15 mm (B x T x H)
Applikationen
- Intelligente Heimautomatisierung
- Industrie- und Fabrikautomatisierung
- Internet of Things (IoT) und Konnektivität
- Unterhaltungselektronik
- Fahrzeug-Untersysteme
- Medizinische und tragbare Geräte
- Embedded-Applikationen
Übersicht
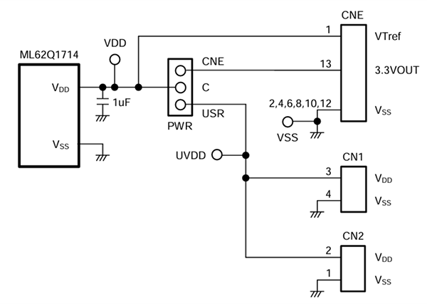
Leistungsschaltung
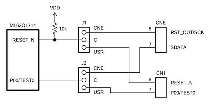
EASE1000 Schnittstelle
PCB-Layout
Veröffentlichungsdatum: 2024-12-27
| Aktualisiert: 2025-01-06
