ROHM Semiconductor RB-D62Q2532TB48 Referenzboard
Das Referenzboard RB-D62Q2532TB48 von ROHM Semiconductor ist eine leistungsstarke Entwicklungsplattform, die auf dem LAPIS CMOS 16-bit-RISC-Mikrocontroller ML62Q2532 basiert. Dieses Board wurde entwickelt, um das effiziente Prototyping und Testen für eine Reihe von Anwendungen zu unterstützen, darunter Automobilsysteme wie Hauptwechselrichter, Onboard-Ladegeräte und Batteriemanagementsysteme. Der stromsparende Betrieb und die robusten Verarbeitungsfähigkeiten des Boards machen es außerdem ideal für industrielle Geräte in der Fabrikautomatisierung und -steuerung sowie für intelligente Unterhaltungselektronik. Dank der nahtlosen Kompatibilität mit den Entwicklungstools von ROHM ermöglicht das RB-D62Q2532TB48 Ingenieuren die Entwicklung innovativer, energieeffizienter und zuverlässiger Lösungen, die auf die Anforderungen moderner Embedded-Systeme zugeschnitten sind.Merkmale
- LAPIS CMOS 16-bit-RISC-MCU ML62Q2532 mit 48 Pins und TQFP-Gehäuse im Lieferumfang inbegriffen
- Montiert mit dem verlinkten Anschluss an EASE1000 V2
- Durchgangsbohrungen für den Anschluss der LSI-Pins an externe Peripheriekarten
- Wählbare Stromversorgung, die über den On-Chip-Emulator EASE1000 V2 oder CN1_3pin
- Eingebauter 32,768 kHz Quarz
- Montierte LEDs (P20, P21, P22)
- Foot-Modell mit Komponenten für A/D-Wandler vom Typ sukzessive Approximation ist verfügbar (P30, P31, P32, P33)
- Niedriger Stromverbrauch
- Interner Flash-Speicher und RAM
- Flexible E/A- und Kommunikationsschnittstellen
- Echtzeitverarbeitung
- Betriebsspannungsbereich: 1,8 V bis 5,5 V
- Kompakter Formfaktor, Größe: 56 mm x 94 mm x 15 mm (BxTxH)
Applikationen
- Automobilsysteme
- Industrie-Ausstattung
- Unterhaltungselektronik
Übersicht
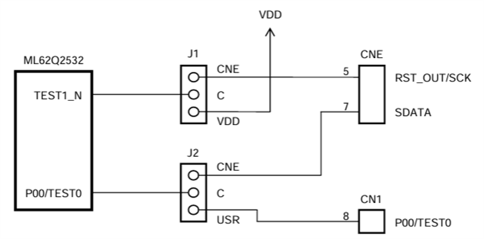
Stromkreis
EASE1000 V2 Schnittstelle
PCB-Layout
Veröffentlichungsdatum: 2024-12-30
| Aktualisiert: 2025-01-07
