ROHM Semiconductor RB-D62Q2713TB52 Referenzboard
Das ROHM Semiconductor RB-D62Q2713TB52 Referenzboard, das vom LAPIS ML62Q2713 16-Bit-CMOS-RISC-MCU angesteuert wird, ist eine vielseitige Lösung für die Entwicklung von stromsparenden Embedded-Hochleistungssystemen. Dieses Board ist zur Unterstützung von verschiedenen Applikationen ausgelegt, einschließlich Industrieautomatisierung, Smart-Home-Bauteile, IoT-Edge-Knoten und tragbare medizinische Geräte. Der ML62Q2713 MCU enthält erweiterte Funktionen, wie z. B. einen erweiterten Speicher, mehrere Kommunikationsschnittstellen und einen LCD-Treiber, wodurch er sich hervorragend für Systeme eignet, die eine effiziente Verarbeitung und eine sichere Kommunikation erfordern.Der geringe Stromverbrauch und das kompakte Design des Boards eignen sich für batteriebetriebene und platzbeschränkte Bauteile, während sein umfangreicher Peripheriesatz, einschließlich ADCs, UART, SPI und I2C, die Entwicklung für verschiedene Applikationen vereinfacht. Der RB-D62Q2713TB52 von ROHM Semiconductor bietet eine zuverlässige Plattform für das Prototyping und die Bereitstellung innovativer Lösungen in Industrie-, Unterhaltungselektronik- und IoT-Märkten.
Merkmale
- Wird mit dem LAPIS ML62Q2713 CMOS-16-Bit-RISC-MCU im 52-Pin-TQFP geliefert
- Mit dem verbundenen Steckverbinder auf EASE1000 V2 montiert
- Durchsteckmontage für den Anschluss der Pins von LSI an externe Peripherie-Boards
- Wählbare Stromversorgung, die vom On-Chip-Emulator EASE1000 V2 oder CN1_3pin/CN2_2pin versorgt wird
- Montierter 32.768KHz-Quarz
- Montierte LEDs (P20, P21, P22)
- Fußmuster mit Komponenten für Typ A/D-Wandler mit sukzessiver Approximation ist verfügbar (P23, P24, P25, P26)
- Geringer Stromverbrauch
- Interner Flash-Speicher und RAM
- Flexible I/O- und Kommunikationsschnittstellen
- Echtzeitverarbeitung
- Betriebsversorgungsbereich: 1,8 V bis 5,5 V
- Kompakter Formfaktor, Abmessungen: 56 mm x 94 mm x 15 mm (B x T x H)
Applikationen
- Industrieautomatisierung
- Heim- und Gebäudeautomatisierung
- Internet of Things(IoT)- und vernetzte Geräte
- Gesundheitswesen und medizinische Geräte
- Unterhaltungselektronik
- Automobil-Applikationen
- Energie- und Leistungssysteme
- Embedded-Prototyping und Schulung
Übersicht
Leistungsschaltung
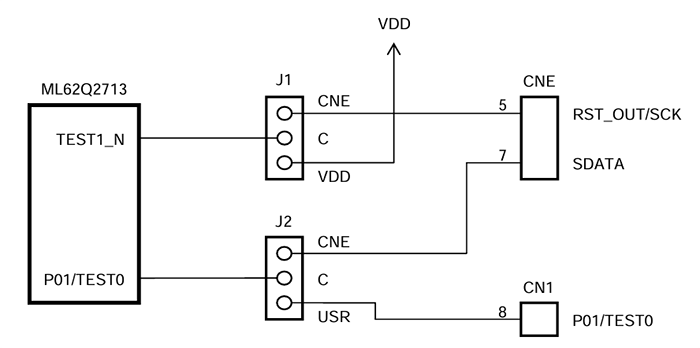
EASE1000 V2-Schnittstelle
PCB-Layout
Veröffentlichungsdatum: 2024-12-31
| Aktualisiert: 2025-01-29
