![]() | |||||||||||||||||||||||||
Schurter T9-818 Geräteschutzschalter thermischSchurter T9-818 Schutzschalter sind 1-polige, rückstellende, thermische Geräteschutzschalter mit bediungter Freiauslösung und THT-Anschlüssen. T9-818 Geräteschutzschalter sind designed für Standard- und Medizinalanwendungen, Netzteile, unterbrechungsfreie Stromversorgung, Elektrowerkzeug, Industrieanwendungen, HVAC und Hausgerätetechnik. | |||||||||||||||||||||||||
|
Beschreibung
Merkmale
Standards
| |||||||||||||||||||||||||
| |||||||||||||||||||||||||
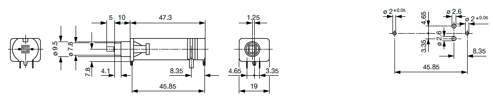
Abmessung![]() | |||||||||||||||||||||||||
Montageanleitungen![]() | |||||||||||||||||||||||||
Zeit-Strom-Kennlinien![]() | |||||||||||||||||||||||||
![]() Presse-Information Luzern, 29.01.2014 M555 ![]() SCHURTER T9 nun für die PCB Montage erhältlich SCHURTER baut die Geräteschutzlinie T9 durch die Version T9-818 für die Leiterplattenmontage aus. Diese Erweiterung ergänzt die bestehende T9 Produktelinie für die Frontplattenmontage und bietet so dieselben Montage-optionen wie vergleichbare Sicherungshalter. Die Ergänzung der SCHURTER T9 Geräteschutzlinie um die Version T9-818 für die Leiterplattenmontage schliesst eine Lücke, im Angebot der T9 Produktelinie wie auch auf dem Markt. Die T9 Geräteschutzlinie ist in ihren Dimensionen mit den klassischen Sicherungshaltern vergleichbar, die Version T9-818 wurde nun für die direkte Montage auf Leiterplatten entwickelt. Das weitere SCHURTER T9 Sortiment umfasst die Flachsteckanschlussvarianten der Frontplatten- und der Gewindehalsbefestigung. Die PCB Montage reduziert die Montagekosten deutlich, da weniger Material und kein Verkabelungsaufwand nötig sind und eine vollautomatische Montage möglich ist. Zudem ist der T9-818 im Vergleich mit Flachsteckanschlussvarianten kompakter und deshalb platzsparender. Sein schlankes Design erlaubt weiter ein minimales Hervortreten des Reset-Knopfes aus der Frontplatte. Zwei Befestigungspins dienen als zusätzliche Halterungen in der Leiterplatte und schützen die Lötverbindung vor dem zusätzlichen Druck bei der Betätigung des Reset-Knopfes. Der Geräteschutzschalter T9 ist in seiner Form den Sicherungshaltern sehr ähnlich und bieten somit eine ideale Alternative zur 5 x 20 Sicherung und ihrem entsprechenden Sicherungshalter. Bei diesen können Stromspitzen mit zunehmender Einsatzdauer ein verfrühtes Ansprechen oder Altern bewirken. Dagegen verhindern Geräteschutzschalter unnötige Ausfallzeiten da das Auswechseln der Sicherung wegfällt, wie auch die damit verbundene Gefahr, aus Versehen eine Sicherung mit falschen Nennstromgrössen einzusetzen, wodurch ein Geräteschaden entstehen kann. Ein weiterer Vorteil von Geräteschutzschaltern ist der Reset-Knopf, welcher hervorspringt wenn die Schutzfunktion einsetzt. Zurückgesetzt wird er durch einen einfachen Knopfdruck. Zu den typischen Einsatzgebieten der Geräteschutzschalter gehören die Energieversorgung, USVs, PDUs, Elektrowerkzeuge, industrielle Anwendungen, medizinische Diagnosegeräte, Analyseanlagen, Leuchtvorrichtungen, HVAC Produkte und Sport- sowie Freizeitgeräte. Die T9 Produktlinie trägt die Approbationen UL, VDE und CCC. Technische Eigenschaften: -Thermischer Geräteschutzschalter -Rückstellbar -Leiterplattenmontage -Nennströme von 3 - 15 A -Kostengünstig und effizient Internet: Datenblatt Geräteschutzschalter thermisch Animation T9 Variantenvielfalt Unternehmen: SCHURTER ist ein weltweit führender Innovator und Produzent von Elektro- und Elektronikkomponenten. Im Zentrum stehen die sichere Stromzuführung und die einfache Bedienung von Geräten. Die grosse Produktpalette umfasst Standardlösungen in den Bereichen Geräteschutz, Gerätestecker und -verbindungen, EMV-Produkte, Schalter, Eingabesysteme und Elektronikdienstleistungen. Das weltweite Netz der Vertretungen garantiert zuverlässige Lieferungen und einen professionellen Service. Wo Standardprodukte nicht genügen, erarbeitet SCHURTER kundenspezifische Lösungen. Kontakt: Für weitere Informationen steht Ihnen SCHURTER gerne zur Verfügung. Division Components SCHURTER Group SCHURTER AG Product Marketing Werkhofstrasse 8-12 Postfach 6002 Luzern Schweiz T +41 41 369 31 11 contact@schurter.ch schurter.com | |||||||||||||||||||||||||
Veröffentlichungsdatum: 2014-04-15
| Aktualisiert: 2022-03-11







.jpg)