Nexperia NEX13120-Q100 Linearer Automotive-LED-Treiber
Der Nexperia NEX13120-Q100 lineare 12-Kanal-LED-Treiber ist AEC-Q100 Klasse 1 qualifiziert und für High-Side-Applikationen konzipiert. Der NEX13120-Q100 von Nexperia unterstützt einen Ausgangsstrom von bis zu 100 mA pro Kanal mit PWM- und analogen Verdunkelungsfunktionen und gewährleistet so eine präzise Steuerung und eine hohe Genauigkeit. Das Bauteil integriert UART über CAN für die Fernkommunikation, wodurch der LED-Treiber ideal für Automotive-Beleuchtungssysteme im Außenbereich ist. Darüber hinaus verfügt das Bauelement über Diagnosefunktionen für die Erkennung von Leerlauf-LEDs, Masse und Kurzschluss einer einzelnen LED sowie über einen konfigurierbaren Watchdog für einen ausfallsicheren Betrieb.Merkmale
- AEC-Q100-qualifiziert für Fahrzeuganwendungen, spezifiziert von -40 °C bis +125 °C
- Funktionalssicherheitsfähigkeit
- 12-Kanal-High-Side-Stromausgang mit hoher Genauigkeit
- 4,5 V bis 36 V VBAT und 3,8 V bis 36 V VS
- Bis zu 100 mA Strom pro Kanal
- Globale unabhängige 2-Bit-, 6-Bit-Stromeinstellung
- Stromgenauigkeit innerhalb von ±5 % von 18 mA bis 100 mA
- Niederspannungsabfälle - 600 mV bei 100 mA
- Unabhängige 12-Bit-PWM-Verdunkelung
- Programmierbare PWM-Frequenz von 50 Hz bis 23,4 kHz
- Lineare und exponentielle Verdunkelungsmethode
- Integrierte UART-Schnittstelle
- Datenrate von bis zu 2 MBit/s
- Unterstützt das UART-Datenformat
- Unterstützt 27 Slave-Adressen, die durch den Widerstand festgelegt werden
- HTSSOP24 (SOT8083-1) Thermisch verbessertes, dünnes Schrumpfgehäuse mit kleinem Umriss, 24 Pins, Gehäusegröße von 7,8 mm x 4,4 mm x 1,2 mm
- Diagnose- und Schutzfunktionen
- Programmierbarer ausfallsicherer Zustand
- Erkennung von Leerlauf-LED
- Erkennung von LED-Kurzschluss
- Diagnose von Kurzschlüssen bei einzelnen LEDs
- Programmierbare Erkennung von Low-VS
- Open-Drain-FLT-Pin für Fehleranzeige
- Watchdog und CRC für Datenleitung
- MTP ECC-Prüfung
- 8-Bit-ADC für Pin-Spannungsmessung
- Übertemperaturschutz
- ESD-Schutz
- HBM übersteigt 2.000 V gemäß ANSI/ESDA/JEDEC JS-001 Klasse 2
- CDM übersteigt 500 V gemäß ANSI/ESDA/JEDEC JS-002 Klasse C2a
Applikationen
- Automotive-Heckleuchten
- Automotive-Außenscheinwerfer
Videos
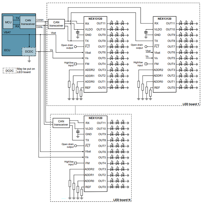
Typische Applikations-Schaltung
Applikation – Blockdiagramm
Veröffentlichungsdatum: 2025-04-07
| Aktualisiert: 2025-08-10
