Texas Instruments TPS92542-Q1 Synchroner Boost Controller

Der synchrone Boost Controller TPS92542-Q1 von Texas Instruments enthält einen synchronen Boost Controller und einen zweikanaligen, monolithischen, synchronen Abwärtswandler-LED-Treiber mit einem großen Abwärts-Eingangsspannungsbereich von 4,5 V bis 65 V. Der synchrone Boost Controller implementiert einen Spitzenstrommodusregler für den Betrieb im Konstantspannungsmodus. Der Aufwärtsregler kann so programmiert werden, dass er mit anderen Bauteilen der Baureihe TPS9254x zweiphasig oder dreiphasig arbeitet. Die Ausgangsspannung kann über einen programmierbaren 8-Bit-DAC programmiert werden. Der Boost Controller verfügt über eine programmierbare Frequenzmodulationstechnik zur EMI-Reduzierung.

Der monolithische synchrone Abwärtswandler implementiert eine adaptive On-Time-Durchschnittsstrommodusregelung zur Erzeugung eines Ausgangs mit konstanter Spannung (CV) oder konstantem Strom (CC). Der Abwärtswandler ist mit Shunt-FET-Dimmverfahren und LED-Matrixmanager-basierten dynamischen Abblendscheinwerfer im CC-Modus kompatibel. Im CV-Modus ermöglicht die adaptive On-Time-Steuerung einen Betrieb mit hoher Bandbreite und schnellem Einschwingverhalten. Die Steuerung bietet eine nahezu konstante Schaltfrequenz, die zwischen 100 kHz und 1,0 MHz eingestellt werden kann. Die Induktivitätsstrommessung und die Rückkopplung mit geschlossenem Regelkreis ermöglichen eine Genauigkeit von mehr als ±4 % über einen großen Eingangsspannungs-, Ausgangsspannungs- und Umgebungstemperaturbereich. Im CC-Modus kann der Abwärtswandler den LED-Strom unabhängig mit analogen oder PWM-Dimmverfahren modulieren.

Die serielle UART-Schnittstelle ist mit den Bauteilen TPS9266x und TPS9254x kompatibel. Der interne EEPROM kann Systemeinstellungen, Kalibrierung und Beleuchtungsmoduldaten speichern. Die fünf konfigurierbaren MPIOs und zwei DIOs können als digitale Eingänge oder Ausgänge oder als ADC-Eingänge konfiguriert werden. Der TPS92542-Q1 von Texas Instruments ist in einem thermisch verbesserten 48-poligen HTQFP-Gehäuse von 7,0 mm × 7,0 mm mit nach oben freiliegendem Pad verfügbar.

Merkmale

  • AEC-Q100-qualifiziert für Fahrzeuganwendungen
    • Klasse 1 von -40 °C bis 125 °C Umgebungsbetriebstemperatur
    • HBM-Bauteilklassifikation Stufe H1C
    • CDM-Bauteilklassifikation Stufe C5
  • Geeignet für die funktionale Sicherheit mit Dokumentation zur Unterstützung des Designs von funktionalen Sicherheitssystemen
  • Großer Eingangsspannungsbereich: 4,5 V bis 65 V
  • Synchroner Zweikanal-Abwärtswandler mit integrierten Schaltern
  • Konfigurierbarer Betrieb mit konstanter Spannung (CV) oder konstantem Strom (CC)
    • Bis zu 2 A Dauerausgangsstrom
    • 4 % Regelungsgenauigkeit (Spannungs- und Strommodus)
  • Synchroner Boost Controller mit programmierbarer Ausgangsspannung von bis zu 65 V
  • Aufwärts- und Abwärts-Frequenzspreizung zur EMI-Abschwächung
  • Thermischer Schutz des Abwärtsschalters
  • Serielle UART-Kommunikation
    • Interner Oszillator für Systemtakt
    • LMM-kompatibel
  • Interner EEPROM
    • Standardeinstellungen
    • Kundenkalibrierungsdaten

Applikationen

  • Autoscheinwerfer
  • Adaptive LED-Treibermodule

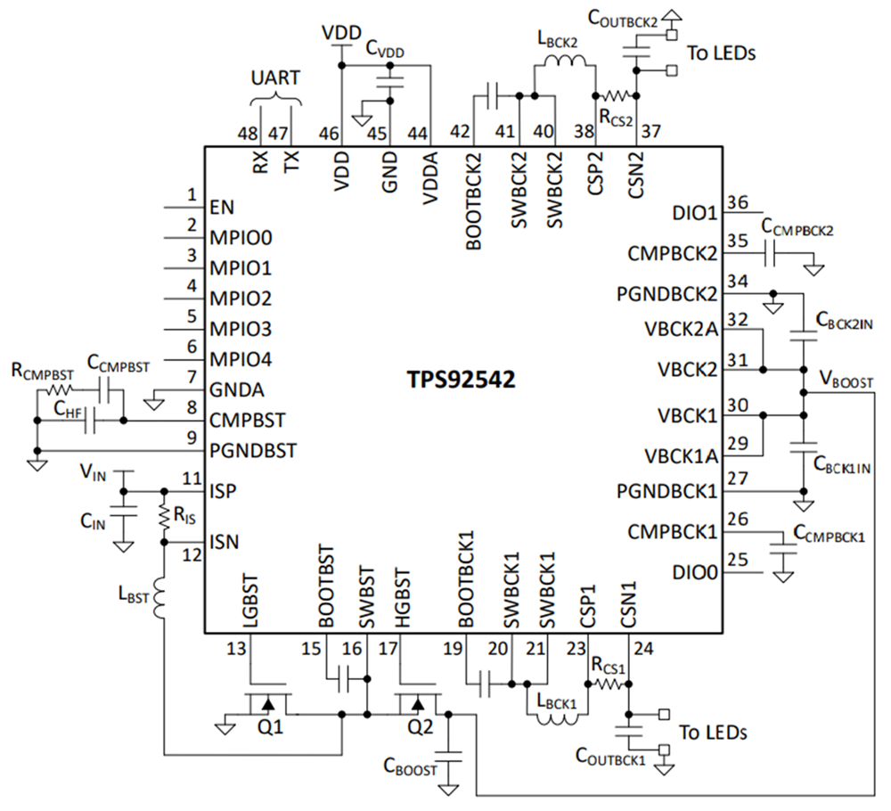
Vereinfachter Schaltplan

Schaltplan - Texas Instruments TPS92542-Q1 Synchroner Boost Controller
Veröffentlichungsdatum: 2025-03-04 | Aktualisiert: 2025-12-17