Renesas Electronics 8P34S2106A Fanout-Puffer
Der Renesas Electronics Fanout-Puffer 8P34S2106A ist ein hochleistungsfähiger, stromsparender und differenzieller dualer 1:6 LVDS-Ausgangspuffer mit 1,8 V/2,5 V. Dieser Puffer ist für die Verteilung von Hochfrequenz, sehr niedrigem additivem Phasenrauschen und Datensignalen ausgelegt. Der 8P34S2106A Puffer unterstützt den ausfallsicheren Betrieb und hat zwei unabhängige Pufferkanäle, die jeweils aus sechs Ausgängen mit niedrigem Versatz bestehen. Darüber hinaus verfügt der 8P34S2106A Puffer über eine hohe Isolierung zwischen den Kanälen, eine Eingangstaktfrequenz von 2 GHz und entspricht den AC-Eigenschaften über beide Kanäle. Der 8P34S2106A Taktpuffer eignet sich hervorragend für Schalter/Router, medizinische Bildgebung, professionelle Audio- und Videoanwendungen, 4,5 G und 5 G RU und DU.Merkmale
- Zwei 1:6 LVDS-Fanout-Puffer mit geringem Versatz und geringem additiven Jitter
- Abgestimmte AC-Eigenschaften über beide Kanäle
- Hohe Isolierung zwischen den Kanälen
- Geringer Stromverbrauch
- Beide differentiellen CLKA-, nCLKA- und CLKB-, nCLKB-Eingänge akzeptieren LVDS-, LVPECL- und unsymmetrische LVCMOS-Pegel
Technische Daten
- Maximale Eingangstaktfrequenz: 2 GHz
- Ausgangsamplituden: 350 mV, 500 mV, und deaktivieren (wählbar)
- Typischer Ausgangsbankversatz: 10ps
- Typischer Ausgangsversatz: 212ps
- 45fs typischer (fREF = 156,25 MHz, 12 kHz bis 20 MHz) geringer additiver Phasenjitter, RMS
- Versorgungsspannungsbereich: 1,8 V und 2,5 V
- Stromverbrauch des Bauteils (IDD):
- 210 mA typisch: 1,8 V
- 230 mA typisch: 2,5 V
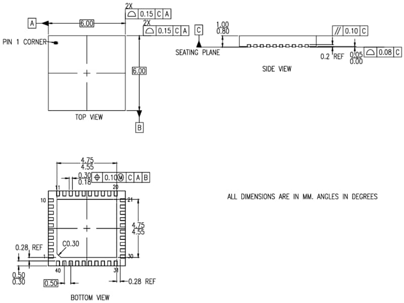
- 6 mm x 6 mm x 0,9 mm großes bleifreies (RoHS 6) 40-VFQFPN-Gehäuse
- Betriebstemperaturbereich der Umgebung: -40 °C bis 85 °C
- Unterstützt bis zu 105 °C Gehäusetemperatur
Applikationen
- 4.5G und 5G RU und DU
- Schalter/Router
- Medizinische Bildverarbeitung
- Professionelles Audio und Video
Blockdiagramm
Maßbild
Weitere Ressourcen
- Empfohlene Ferritperlen - AN-805
- Applikationsrelevanz des Taktjitters - AN-827
- Anschluss - AC-Kopplungs-Taktempfänger - AN-844
- Anschluss - LVDS - AN-846
- Thermische Überlegungen in Bezug auf das Gehäusedesign und die Auswahl - AN-842
- Jitter-Spezifikationen für Timing-Signale - AN-840
- Verhinderung der Eigenschwingung des Differentialeingangs - AN-833
- Hot-Swap-Empfehlungen - AN-834
- Differentialeingang zur Aufnahme von einendigen Pegeln - AN-836
- Verstehen von Jittereinheiten - AN-815
Veröffentlichungsdatum: 2023-04-25
| Aktualisiert: 2023-07-06
