Infineon Technologies TLE9351BVSJ Hochgeschwindigkeits-CAN-FD-Transceiver
Der High-Speed-CAN-FD-Transceiver TLE9351BVSJ von Infineon Technologies wurde entwickelt, um den Mikrocontroller vor Störungen zu schützen, die innerhalb des Netzwerks entstehen. Dieser Transceiver bietet ein sehr niedriges Niveau an elektromagnetischer Emission (EME) und erfüllt die EMV-Testgrenzwerte, ohne dass eine Gleichtaktdrossel erforderlich ist. Der Transceiver TLE9351BVSJ unterstützt Datenübertragungsraten von bis zu 5 Mbit/s und CAN FD-Datenrahmen. Dieser Transceiver verfügt über eine Bus-Wake-Up-Pattern-Funktion (WUP) mit optimierter Filterzeit für den OEM-Einsatz. Der Transceiver TLE9351BVSJ wird in den Motorsteuergeräten (ECUs), Body Control Modules (BCMs), Getriebesteuergeräten (TCUs) und der elektrischen Servolenkung eingesetzt.Der Transceiver TLE9351BVSJ verfügt über einen Übertemperaturschutz, eine TxD-Timeout-Funktion und einen Ruhestrom von <18 μA bei 5 V STB. Dieser Transceiver erfüllt die Normen ISO 11898-2:2016 und SAE J2284-4/-5 und ist gemäß den VeLIO-Prüfanforderungen (Vehicle LAN Interoperability and Optimization) zertifiziert. Der Transceiver TLE9351BVSJ ist gemäß ISO 7637 und SAE J2962-2 vor Transienten in Fahrzeugen geschützt.
Merkmale
- Bus-Aktivierungsmuster-Funktion (WUP) mit optimierter Filterzeit für OEM-Nutzung
- Standby-Modus mit reduziertem Ruhestrom
- Die Senderversorgung VCC Die Senderversorgung VCC kann im Standby-Modus für zusätzliche Ruhestromeinsparungen ausgeschaltet werden
- TxD-Timeout-Funktion
- Sehr niedriger CAN-Bus-Leckstrom im ausgeschalteten Zustand
- Übertemperaturschutz
- V IO-Eingang zur Spannungsanpassung an die Mikrocontroller-Schnittstelle (3,3 V oder 5 V)
- Schleifenverzögerungssymmetrie für CAN FD-Datenrahmen bis zu 5 Mbit/s
- Zertifiziert nach den Testanforderungen für Vehicle LAN Interoperability and Optimization (VeLIO)
- Hervorragende ESD-Robustheit
- Geschützt gegen Automotive-Transienten gemäß ISO 7.637 und SAE J2962-2
- Erhältlich in einem RoHS-konformen und halogenfreien PG-DSO-8-Gehäuse
Applikationen
- Motor-Steuer-Einheiten (ECU)
- Karosseriesteuerungsmodule (BCMs)
- Getriebeststeuerung (TCUs)
- Elektrische Servolenkung
- Fahrwerkssteuerungsmodule
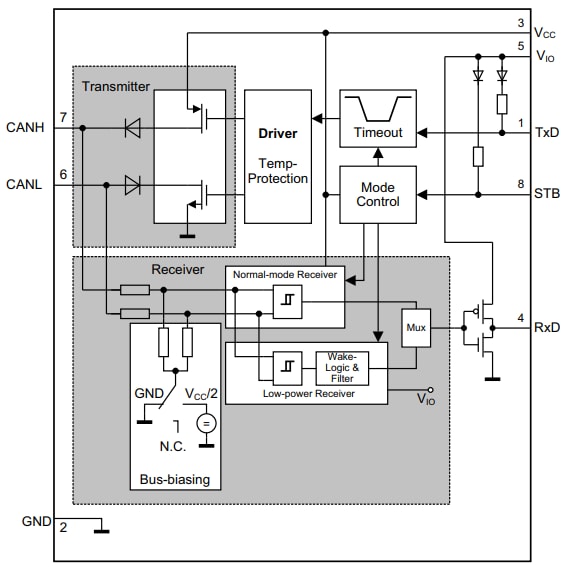
TLE9351BVSJ Blockdiagramm
Veröffentlichungsdatum: 2024-03-11
| Aktualisiert: 2025-02-12
