Analog Devices / Maxim Integrated MAX33076E RS-422-/RS-485-Quad-Hochgeschwindigkeitsempfänger

Analog Devices MAX33076E High-Speed Quad RS-422/RS-485 Empfänger bieten einen hohen CMR (Gleichtakt Bereich), hohen Fehlerschutz und hohen ESD für raue elektrische Umgebungen. Die Bauteile arbeiten mit einem Versorgungsbereich von +3,3 V oder +5.0 V. Der hohe CMR von ±25 V hilft beim Empfang von Nachrichten, wenn die Masseflächen zwischen zwei Knoten große Unterschiede aufweisen oder große externe Störungen durch Motoren oder andere elektrische Rauschquellen vorliegen. MAX33076E bietet einen erweiterten Defekt von ±65 V, wobei die Datenleitungen vor versehentlichen Kurzschlüssen zur lokalen Stromversorgung geschützt sind. Darüber hinaus schützt ein hohes ESD-HBM (Human Body Model) von ±25 kV die Datenleitungen vor ESD-Stößen, entweder während der Produktion oder im Feld.

Die MAX33076E RS-422-/RS-485-Quad-Hochgeschwindigkeitsempfänger von Analog Devices verfügen über eine echte Ausfallschaltung, bei der der Empfängerausgang in einen hohen Zustand versetzt wird, wenn er offen, kurzgeschlossen oder mit einer angeschlossenen Übertragungsleitung verbunden ist, bei der alle Treiber deaktiviert sind.

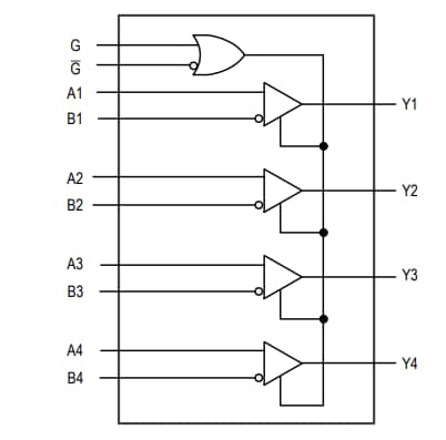
Die G- und Ḡ-Pins auf dem MAX33076E konfigurieren für Active-High bzw. Active-Low und aktivieren oder deaktivieren die Ausgänge. Die Bauteile sind Pin-kompatibel mit den MAX3095-96 Empfängern.

Der MAX33076E ist in einem 16-Pin-SOIC- oder QSOP-Gehäuse untergebracht und über einen Temperaturbereich von -40 °C bis +125 °C eingestuft.

Merkmale

  • Integrierte Schutzfunktionen erhöhen die Robustheit
    • Fehlertolerante Quad-Empfängerleitungen: ±65 V
    • ±25 kV ESD HBM
    • Gleichtaktbereich: ±25 V
    • Ausfallsicherer Empfänger verhindert einen Fehlerübergang am Empfängereingang, wenn er offen oder kurzgeschlossen ist
    • Betriebstemperaturbereich: -40 °C bis +125 °C
  • Industriestandard für ein einfaches Upgrade

Applikationen

  • Motorsteuerungen
  • Telekommunikationsanlagen
  • Stromnetzgeräte
  • CNC Machinen
  • Lasermodule

Blockdiagramm

Blockdiagramm - Analog Devices / Maxim Integrated MAX33076E RS-422-/RS-485-Quad-Hochgeschwindigkeitsempfänger

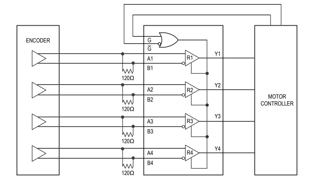
Typische Applikations-Schaltung

Applikations-Schaltungsdiagramm - Analog Devices / Maxim Integrated MAX33076E RS-422-/RS-485-Quad-Hochgeschwindigkeitsempfänger
Veröffentlichungsdatum: 2022-03-29 | Aktualisiert: 2025-09-18