Texas Instruments THVD1400V Halbduplex RS-422/RS-485 Transceiver
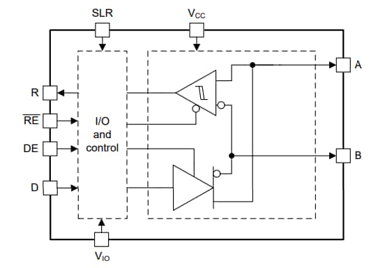
Texas Instruments THVD1400V Halbduplex RS-422/RS-485 Transceiver mit flexibler I/O-Versorgung und integriertem IEC-ESD-Schutz bietet 5 μA Versorgungsstrom. Dieser Transceiver verfügt über einen Anstiegsratensteuerungs-Pin (SLR), der den Transceiver in einen Modus mit maximal 20 MBit/s oder einen Modus mit begrenzter Anstiegsrate von 500kbps versetzt. Der THVD1400V Transceiver verfügt über einen Differentialausgang von mehr als 2,1 V für Profibus-Kompatibilität mit einer 5-V-Versorgung und unterstützt Low-Level-Logikschnittstellen von 1,65 V bis 5,5 V. Dieser Transceiver wird in der Fabrikautomatisierung und -steuerung, der Gebäudeautomation, bei Motorantrieben, der Energieversorgung, im Industrie-Transport, in HLK-Systemen, intelligenten Messgeräten und in der Kommunikationsinfrastruktur eingesetzt.Der Transceiver THVD1400V erfüllt oder übertrifft die Anforderungen des TIA/EIA-485A-Standards. Dieser Transceiver arbeitet in einem Temperaturbereich von –40 °C bis 125 °C und ist in einem 3 mm x 3 mm VSON (10-Pin) Gehäuse erhältlich.
Merkmale
- Erfüllt oder übertrifft die Anforderungen des TIA/EIA-485A-Standards
- Der Differenzausgang überschreitet 2,1 V für die Profibus-Kompatibilität mit einer 5-V-Versorgung
- RS-485 Versorgungsspannungsbereich von 3 V bis 5,5 V
- Versorgung für Logiksignalschnittstelle von 1,65 V bis 5,5 V
- Halbduplex-RS-422/RS-485
- Maximale Datenrate konfigurierbar
- SLR = 500 kbps (hoch)
- SLR = 20 Mbit/s (niedrig oder schwebend)
- Bus-I/O-Schutz:
- ±16kV HBM ESD
- ±12 kV IEC 61000-4-2 Kontaktentladung
- ±12 kV IEC 61000-4-2 Luftspaltentladung
- ±4 V IEC 61000-4-4 schneller transienter Burst
- ±16 V Busfehlerschutz (absolute maximale Spannung an den Buspins)
- Energieeffizient:
- 5 μA Shutdown-Versorgungsstrom
- <3 mA Ruhestrom im Betrieb
- Störungsfreies Ein- und Ausschalten für Hot-Plug-in-Fähigkeit
- Ausfallsicher für offene, Kurzschluss- und Leerlauf-Bedingungen
- 1/8 Einheitslast (bis zu 256 Busknoten)
- Kleines, thermisch effizientes 10-Pin-VSON-Gehäuse (3 mm x 3 mm)
Applikationen
- Fabrikautomatisierung und -steuerung
- Leistungsabgabe
- Industrie-Transportsysteme
- Gebäudeautomatisierung
- HVAC-Systeme
- Motorantriebe
- Intelligente Stromzähler
- Kommunikationsinfrastruktur
Vereinfachtes Anwendungsschaltbild
Veröffentlichungsdatum: 2024-01-12
| Aktualisiert: 2024-01-24
