Analog Devices Inc. ADG6404 Analog 4:1 Multiplexer
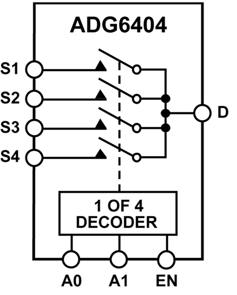
Der Analog Devices ADG6404 Analog-4:1 Multiplexer wechselt einen von vier Eingängen in einen gemeinsamen Ausgang, D, wie von der binären 3-Bit Adresszeile, A0, A1 und EN festgelegt. Für den Einsatz in Multiplexer-Anwendungen sind Schalter mit einer Unterbrechungsschaltung versehen. Jeder Schalter verfügt über einen Eingangssignalbereich, der von VSS bis VDD -2 V reicht, und jeder Kanal leitet in jede Richtung gleichermaßen gut, wenn er eingeschaltet ist. Wenn Schalter deaktiviert sind, werden Signalpegel bis zu den Versorgungen blockiert.Die digitalen Eingänge des ADG6404 von Analog Devices sind mit den Logikeingängen 5 V, 3,3 V und 1,8 V kompatibel, ohne dass ein separater digitaler Logikversorgungspin erforderlich ist. Das Einschaltwiderstandsprofil ist über den gesamten analogen Eingangsbereich außergewöhnlich flach, was eine gute Linearität und geringe Verzerrungen beim Umschalten von Audiosignalen auf Audio gewährleistet.
Merkmale
- Niedriger RON von 0,62 Ω
- Hoher Dauerstrom von bis zu 847 mA
- Flaches 0,003 Ω REIN über den Signalbereich
- -100 dB THD bei 1 kHz
- 1,8 V, 3,3 V und 5 V Logikschaltung
Applikationen
- Automatische Testausstattung
- Datenerfassung
- Messgeräte
- Luftfahrt
- Audio- und Videoschaltung
- Kommunikationssysteme
- Ersatz für Relais
Funktionales Blockdiagramm
Veröffentlichungsdatum: 2025-05-29
| Aktualisiert: 2026-02-25
