ROHM Semiconductor BR25G-5A-Baureihe SPI-BUS-EEPROMs

Die SPI-BUS-EEPROMs der BR25G-5A-Baureihe von ROHM Semiconductor sind serielle 128-Kbit-, 256-Kbit- und 512-Kbit-EEPROMs der SPI-BUS-Schnittstelle mit 4 Millionen  Schreibzyklen. Diese EEPROMs verfügen über eine 64-Byte-Seitengröße, ein 16384 x 8-Bit-format, einen Versorgungsspannungsbereich von 1,6 V bis 5,5 V, eine Taktfrequenz von 20 MHz und eine maximale Schreibzeit von 3,5 ms. Die SPI-BUS-EEPROMs der Baureihe BR25Gx enthalten eine automatische Adressinkrementierungsfunktion beim Lesevorgang und eine automatische Lösch- und eine automatische End-Funktion beim Überschreiben von Daten. Zu den typischen Applikationen gehören AV-Ausrüstungen, OA-Ausrüstungen, Telekommunikationsausrüstungen, elektronische Haushaltsgeräte und Unterhaltungsgeräte.

Merkmale

  • SPI-BUS-Modus (CPA, CPA) = (0, 0), (1, 1)
  • 64-Byte-/126-Byte-Seitengröße
  • 16384 x 8-Bit/65536 x 8-Bit-Format
  • Schreibsperrbare 64-Byte-/126-Byte-Identifikationsseite (ID-Seite)
  • Automatische Inkrementalfunktion beim Lesebetrieb adressieren
  • Automatische Lösch- und automatische Endfunktion beim Überschreiben von Daten
  • Schreibschutzblock-Einstellung über Software
  • Speicher-Array 1/4, 1/2 und gesamt
  • HOLD-Funktion über den HOLDB-Pin
  • Verhinderung von Schreibfehlern:
    • Schreibschutz beim Einschalten
    • Schreibschutz über den WPB-Pin
    • Einstellung des Schreibschutzblocks
    • Verhinderung von Schreibfehlern bei niedriger Spannung

Technische Daten

  • Versorgungsspannungsbereich: 1,6 V bis 5,5 V
  • Maximale Taktfrequenz: 20 MHz
  • 3,5 ms maximale Schreibzeit
  • 4 Millionen Schreibzyklen
  • 200 Jahre Datenhaltung
  • Betriebstemperaturbereich -40 °C bis 85 °C Umgebungstemperatur

Applikationen

  • AV-Ausrüstung
  • OA-Ausrüstung
  • Telekommunikationsanlagen
  • Elektronische Haushaltsgeräte
  • Freizeitausrüstung

Blockdiagramme

Blockdiagramm - ROHM Semiconductor BR25G-5A-Baureihe SPI-BUS-EEPROMs
Blockdiagramm - ROHM Semiconductor BR25G-5A-Baureihe SPI-BUS-EEPROMs
Blockdiagramm - ROHM Semiconductor BR25G-5A-Baureihe SPI-BUS-EEPROMs

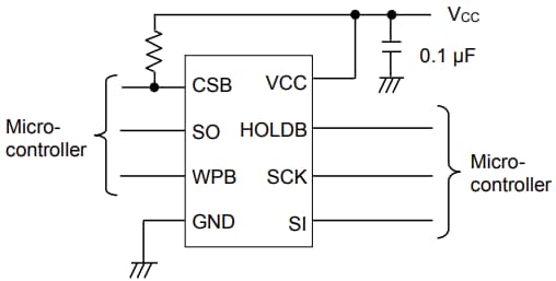
Typische Applikationsschaltung

Applikations-Schaltungsdiagramm - ROHM Semiconductor BR25G-5A-Baureihe SPI-BUS-EEPROMs
Veröffentlichungsdatum: 2024-12-19 | Aktualisiert: 2025-05-21